
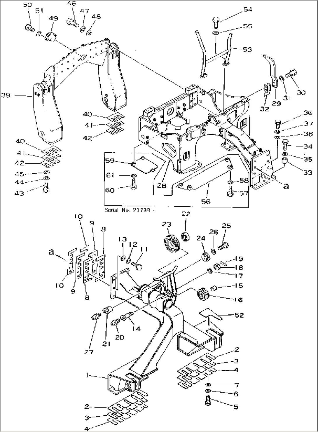
| Item | Part No. | Part Name | Qty | Serial No. |
| 1 | 176-71-41131 | FRAME ASS'Y | 15686-31415 | |
| 1 | 176-71-00011 | SHIM ASS'Y | 15686-31573 | |
| 2 | 176-71-11190 | SHIM,3.2MM | 15686-@ | |
| 3 | 176-71-11210 | SHIM,2.3MM | 15686-@ | |
| 4 | 176-71-11220 | SHIM,1.0MM | 15686-@ | |
| 5 | 01018-02495 | BOLT | 15686-@ | |
| 6 | 01602-02472 | WASHER,SPRING | 15686-21738 | |
| 7 | 01643-32460 | WASHER | 15686-@ | |
| 7 | 176-71-00031 | SHIM ASS'Y | 15686-31573 | |
| 8 | 176-71-41240 | SHIM,2.3MM | 15686-@ | |
| 9 | 176-71-41250 | SHIM,1.2MM | 15686-@ | |
| 10 | 176-71-41260 | SHIM,0.5MM | 15686-@ | |
| 11 | 01018-02080 | BOLT | 15686-@ | |
| 12 | 01602-02060 | WASHER,SPRING | 15686-21738 | |
| 13 | 01643-32060 | WASHER | 15686-@ | |
| 14 | 176-71-41190 | SHAFT | 15686-@ | |
| 15 | 176-71-41180 | BUSHING | 15686-@ | |
| 16 | 176-71-41170 | SHEAVE | 15686-@ | |
| 17 | 01643-33690 | WASHER | 15686-@ | |
| 18 | 01590-03638 | NUT | 15686-@ | |
| 19 | 04050-06065 | PIN | 15686-@ | |
| 20 | 07020-00000 | FITTING,GREASE | 15686-@ | |
| 21 | 176-71-41210 | SHAFT | 15686-@ | |
| 22 | 176-70-11530 | BEARING | 15686-@ | |
| 23 | 176-70-11540 | SHEAVE | 15686-31415 | |
| 24 | 176-71-41220 | HOLDER | 15686-@ | |
| 25 | 01010-81645 | BOLT | 15686-@ | |
| 26 | 01643-31645 | WASHER | 21739-@ | |
| 26 | \0\01602-01648 | WASHER,SPRING | 15686-21738 | |
| 27 | 07020-00000 | FITTING,GREASE | 15686-@ | |
| 28 | 176-71-41111 | FRAME | 15686-31573 | |
| 28 | 176-71-41380 | FRAME,(FOR ROCKET HEATER) | 23946-31573 | |
| 29 | 176-71-11360 | PLATE | 15686-@ | |
| 30 | 01010-82480 | BOLT | 15686-@ | |
| 31 | 01643-32460 | WASHER | 21739-@ | |
| 31 | \0\01602-02472 | WASHER,SPRING | 15686-21738 | |
| 32 | 176-71-00050 | SHIM ASS'Y | 15686-@ | |
| 32 | \6\ | SHIM, 1.2MM | 15686-@ | |
| 32 | \6\ | SHIM, 2.3MM | 15686-@ | |
| 33 | 176-71-41330 | COLLAR | 15686-@ | |
| 34 | 01019-02420 | BOLT | 21739-@ | |
| 34 | \0\01019-02425 | BOLT | 15686-21738 | |
| 35 | 01643-32460 | WASHER | 21739-@ | |
| 35 | \0\01602-02472 | WASHER,SPRING | 15686-21738 | |
| 36 | 01010-82470 | BOLT | 21739-@ | |
| 36 | \0\01018-02475 | BOLT | 15686-21738 | |
| 37 | 01602-02472 | WASHER,SPRING | 15686-21738 | |
| 38 | 01643-32460 | WASHER | 15686-@ | |
| 39 | 176-71-41160 | FRAME | 15686-@ | |
| 176-71-00041 | SHIM ASS'Y | 15686-@ | ||
| 40 | 176-71-41270 | SHIM,3.2MM | 15686-@ | |
| 41 | 176-71-41280 | SHIM,2.3MM | 15686-@ | |
| 42 | 176-71-41290 | SHIM,1.0MM | 15686-@ | |
| 43 | 01018-12480 | BOLT | 21739-@ | |
| 43 | \0\01018-02485 | BOLT | 15686-21738 | |
| 44 | 01602-02472 | WASHER,SPRING | 15686-21738 | |
| 45 | 01643-32460 | WASHER | 15686-@ | |
| 46 | 01018-02080 | BOLT | 15686-@ | |
| 47 | 01602-02060 | WASHER,SPRING | 15686-21738 | |
| 48 | 01643-32060 | WASHER | 15686-@ | |
| 49 | 176-71-41230 | PIN | 15686-@ | |
| 50 | 01010-81440 | BOLT | 15686-@ | |
| 51 | 01643-31445 | WASHER | 15686-@ | |
| 52 | 176-71-41340 | SEAT | 15686-@ | |
| 53 | 196-71-11230 | GUARD | 15686-@ | |
| 54 | 01010-82465 | BOLT | 21739-@ | |
| 54 | \0\01010-32470 | BOLT | 15686-21738 | |
| 55 | 01643-32460 | WASHER | 15686-@ | |
| 56 | 176-71-41361 | COVER | 21739-@ | |
| 57 | 01010-81225 | BOLT | 21739-@ | |
| 58 | 01643-31232 | WASHER | 21739-@ | |
| 59 | 176-71-41370 | COVER | 21739-@ | |
| 60 | 01010-81230 | BOLT | 21739-@ | |
| 61 | 01643-31232 | WASHER | 21739-@ |
