Ваш браузер устарел. Этот сайт может работать неполноценно или выглядеть сломанным. Обновите ваш браузер, если можете.

Поиск по каталогу

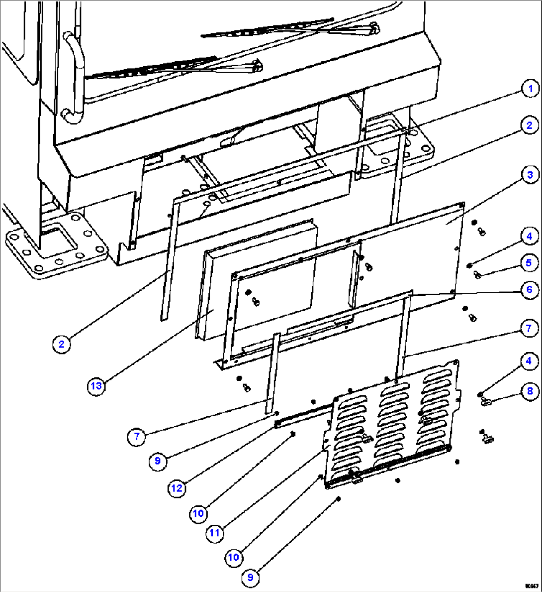
FRONT ACCESS COVER

FRONT ACCESS COVER
ItemPart No.Part NameQtySerial No.
1ED0108SEAL STRIP
2ED0109SEAL STRIP
3EL1094COVER
4MM0471LOCKWASHER - M10
5MM0604CAPSCREW - M10 X 1.50 X 20
6ED0110SEAL STRIP
7ED0112SEAL STRIP
8EL3987WING SCREW - M10 X 1.50
9VD4460LOCKNUT - 1/4" - 20NC
10WA5653MACHINE SCREW - 1/4" - 20NC X 1/2"
11EL1046COVER, HINGED
12SM0190HINGE, FRONT COVER
13PB7001FILTER, AIR
Вернуться в каталог

Заявка

Обратная связь