
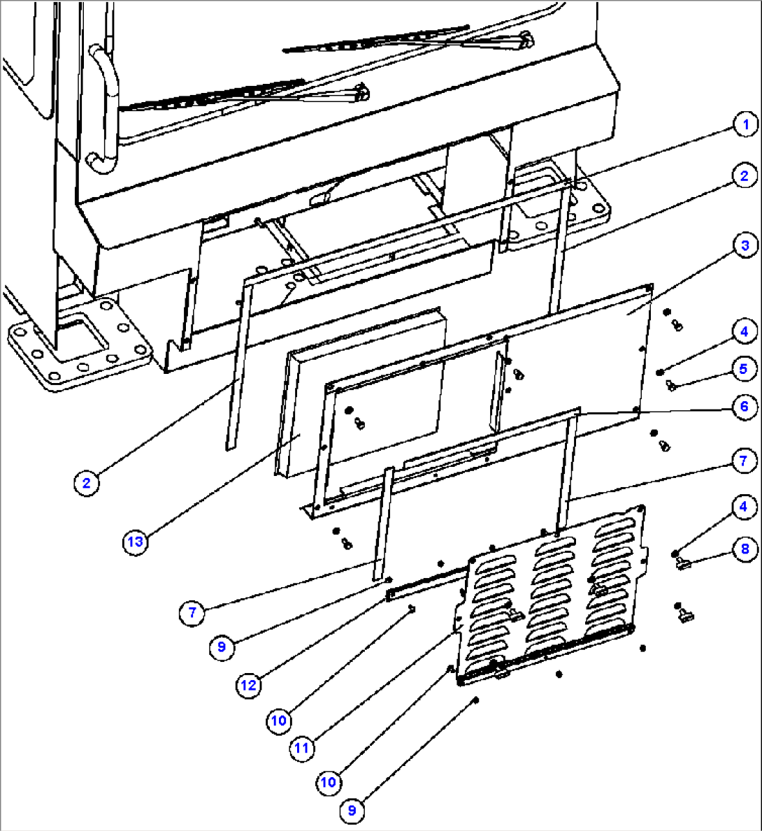
| Item | Part No. | Part Name | Qty | Serial No. |
| 1 | ED0108 | SEAL STRIP | ||
| 2 | ED0109 | SEAL STRIP | ||
| 3 | EL1094 | COVER | ||
| 4 | MM0471 | LOCKWASHER - M10 | ||
| 5 | MM0604 | CAPSCREW - M10 X 1.50 X 20 | ||
| 6 | ED0110 | SEAL STRIP | ||
| 7 | ED0112 | SEAL STRIP | ||
| 8 | EL3987 | WING SCREW - M10 X 1.50 | ||
| 9 | VD4460 | LOCKNUT - 1/4" - 20NC | ||
| 10 | WA5653 | MACHINE SCREW - 1/4" - 20NC X 1/2" | ||
| 11 | EL1046 | COVER, HINGED | ||
| 12 | SM0190 | HINGE, FRONT COVER | ||
| 13 | PB7001 | FILTER, AIR |
