
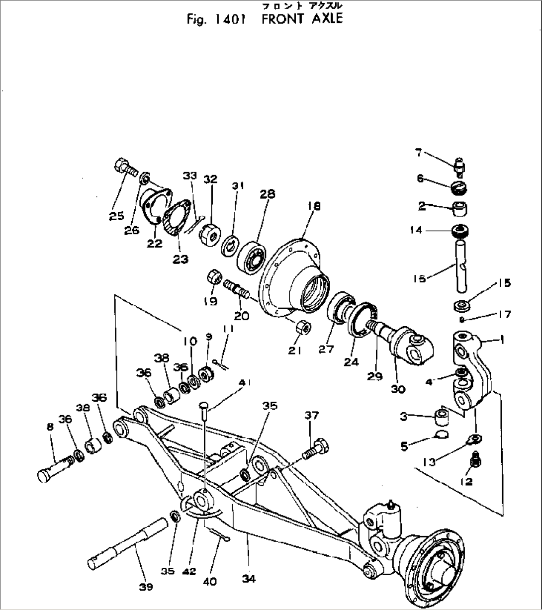
| Item | Part No. | Part Name | Qty | Serial No. |
| 234-27-00013 | BRACKET ASS'Y,L.H. | 2052- | ||
| 234-27-00023 | BRACKET ASS'Y,R.H. | 2052- | ||
| 1 | 234-27-11213 | BRACKET,L.H. | 2052- | |
| 1 | 234-27-11223 | BRACKET,R.H. | 2052- | |
| 2 | 234-27-11230 | BUSHING | 2052- | |
| 3 | 234-27-11241 | BUSHING | 2052- | |
| 4 | 07145-00040 | SEAL (KIT) | 2052- | |
| 5 | 07046-15520 | PLUG | 2052- | |
| 6 | 234-27-11251 | PLUG | 2052- | |
| 7 | 07020-00000 | FITTING | 2052- | |
| 8 | 234-27-11130 | SHAFT | 2052- | |
| 9 | 01590-03033 | NUT | 2052- | |
| 10 | 01643-33080 | WASHER | 2052- | |
| 11 | 04050-06055 | PIN | 2052- | |
| 12 | 232-27-11261 | BOLT | 2052- | |
| 13 | 01650-21616 | WASHER | 2052- | |
| 14 | 06000-51208 | BEARING | 2052- | |
| 15 | 234-27-11260 | PLATE (KIT) | 2052- | |
| 16 | 234-27-11270 | PIN | 2052- | |
| 17 | 07043-00108 | PLUG | 2052- | |
| 234-27-00066 | WHEEL HUB ASS'Y | .- | ||
| \0\234-27-00065 | WHEEL HUB ASS'Y | 2052-. | ||
| 18 | 234-27-11311 | HUB | 2052- | |
| 19 | 234-23-12410 | NUT | .- | |
| 19 | \0\09211-02426 | NUT | 2052-. | |
| 20 | 232-23-13142 | STUD | 2052- | |
| 21 | 01580-02218 | NUT | 2052- | |
| 22 | 234-23-13131 | COVER | 2052- | |
| 23 | 234-27-11372 | GASKET (KIT) | 2052- | |
| 24 | 07012-10150 | SEAL (KIT) | 2052- | |
| 25 | 01010-31222 | BOLT | 2052- | |
| 26 | 01602-01236 | WASHER | 2052- | |
| 27 | 06000-32315 | BEARING | 2052- | |
| 28 | 06002-32312 | BEARING | 2052- | |
| 29 | 234-27-11322 | AXLE,FRONT L.H. | 2052- | |
| 29 | 234-27-11332 | AXLE,FRONT R.H. | 2052- | |
| 30 | 234-27-11390 | COLLAR | 2052- | |
| 31 | 234-27-11341 | WASHER | 2052- | |
| 32 | 01590-04246 | NUT | 2052- | |
| 33 | 04050-08075 | PIN | 2052- | |
| 234-27-00081 | FRONT AXLE ASS'Y | 2052- | ||
| 34 | 234-27-11111 | AXLE | 2052- | |
| 35 | 07145-00050 | SEAL (KIT) | 2052- | |
| 36 | 07145-00040 | SEAL (KIT) | 2052- | |
| 37 | 01010-32480 | BOLT | 2052- | |
| 38 | 07143-10404 | BUSHING | 2052- | |
| 39 | 232-27-11142 | SHAFT | 2052- | |
| 40 | 04050-04025 | PIN | 2052- | |
| 41 | 232-27-11150 | PIN | 2052- | |
| 42 | 234-846-5110 | HOOK (WELDED) | 2052- |
