
| Item | Part No. | Part Name | Qty | Serial No. |
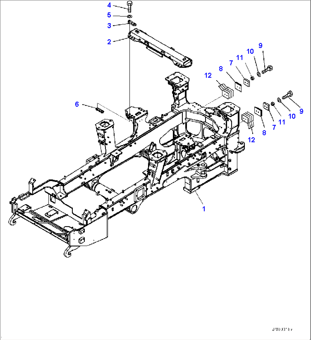
| 1 | Seat Assembly, Front Frame | 5129- | ||
| 2 | 56B-86-3A980 | Member | 5129- | |
| 3 | 56B-46-11Q50 | Plate | 5129- | |
| 4 | 01010-82480 | Bolt | 5129- | |
| 5 | 01643-32460 | Washer | 5129- | |
| 6 | 56B-46-11220 | Plate | 5129- | |
| 7 | 56C-46-11610 | Bumper | 5129- | |
| 8 | 56B-46-11650 | Bracket | 5129- | |
| 9 | 07372-21250 | Bolt | 5129- | |
| 10 | 01643-31232 | Washer | 5129- | |
| 11 | 424-54-14230 | Spacer | 5129- | |
| 12 | 56C-46-11621 | Shim, T=1.6mm | 5129- | |
| 12 | 56C-46-11631 | Shim, T=1.0mm | 5129- |
