
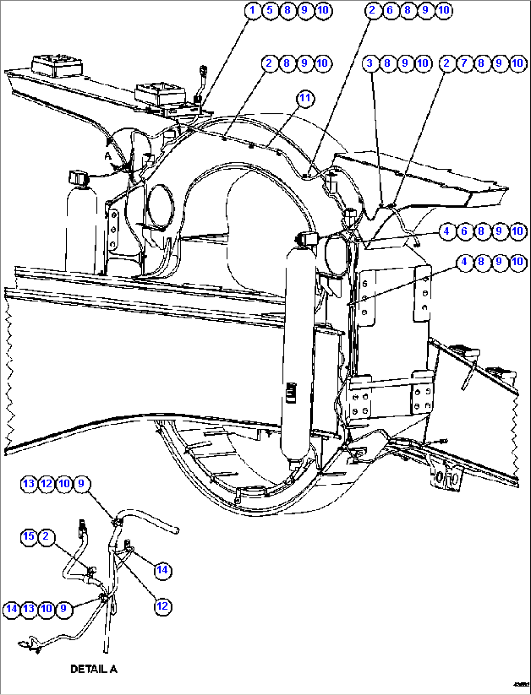
| Item | Part No. | Part Name | Qty | Serial No. |
| 1 | WB1306 | CLAMP, CUSHIONED - 2" | ||
| 2 | WB1303 | CLAMP, CUSHIONED - 3/4" | ||
| 3 | WB1302 | CLAMP, CUSHIONED - 5/16" | ||
| 4 | WB3097 | CLAMP, CUSHIONED - 1/2" | ||
| 5 | TY8375 | SPACER | ||
| 6 | EM1393 | SPACER | ||
| 7 | EL7273 | SPACER | ||
| 8 | MM0178 | NUT - M10 X 1.50 | ||
| 9 | MM0461 | FLAT WASHER - M10 | ||
| 10 | MM0471 | LOCKWASHER - M10 | ||
| 11 | 58E-06-00910 | HARNESS, FRONT WHEEL SPEED SENSOR | ||
| 12 | WB3922 | CLAMP, CUSHIONED - 11/16" | ||
| 13 | MM0605 | CAPSCREW - M10 X 1.50 X 25 | ||
| 14 | WB3098 | CLAMP, CUSHIONED - 3/8" | ||
| 15 | EL7273 | SPACER |
