
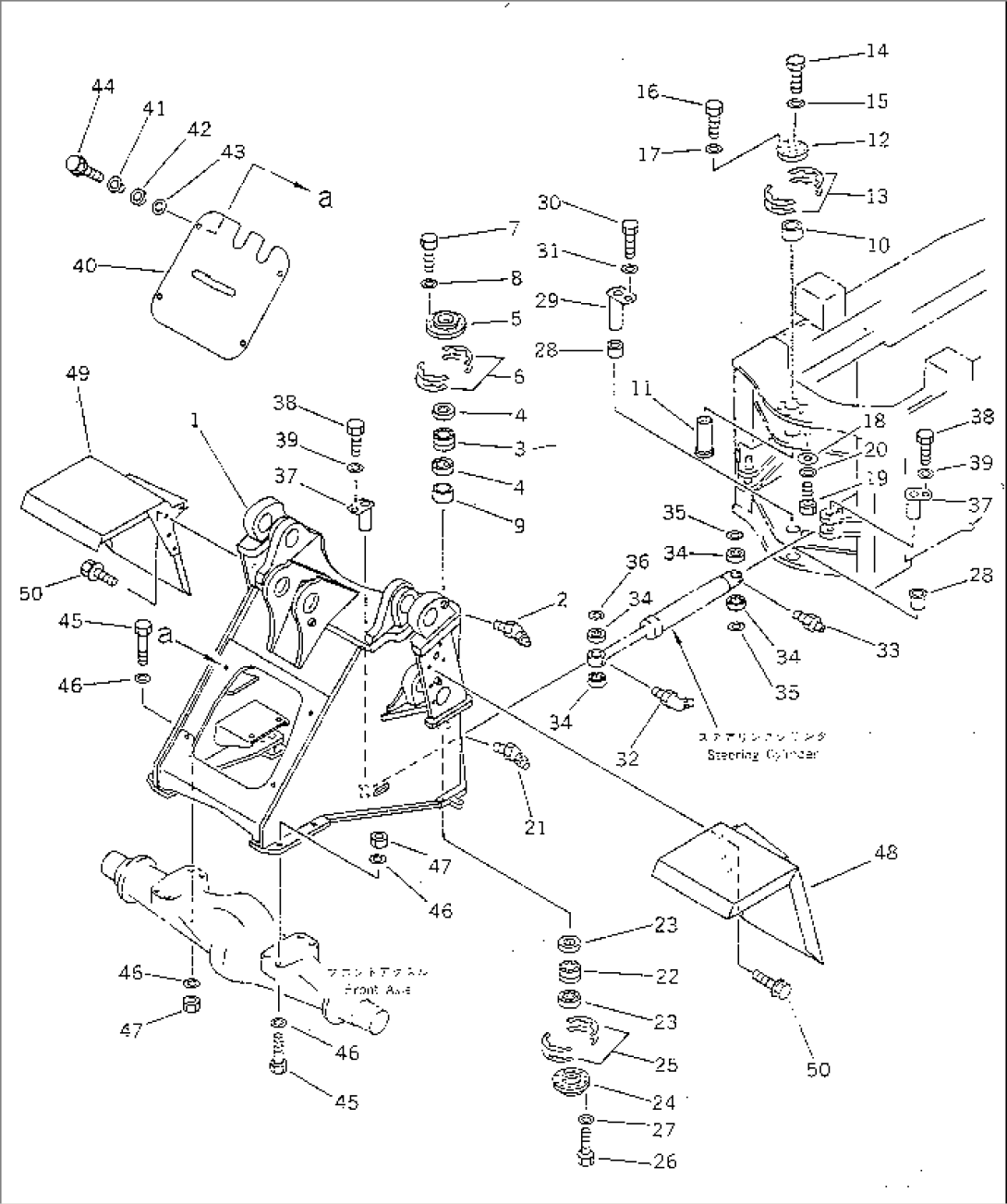
| Item | Part No. | Part Name | Qty | Serial No. |
| 1 | 421-46-11101 | FRAME,FRONT | 20001- | |
| 421-877-1311 | FRAME,FRONT (FOR FRONT ATTACHMENT) | 20001- | ||
| 2 | 419-09-11250 | FITTING,GREASE | 20001- | |
| 3 | 421-46-11361 | BEARING | 10001- | |
| 4 | 421-09-11310 | SEAL,DUST | 10001- | |
| 5 | 421-46-11710 | RETAINER | 10001- | |
| 6 | 421-46-11371 | SHIM¤ 0.1MM | 10001- | |
| 421-46-11381 | SHIM¤ 0.5MM | 10001- | ||
| 7 | 01010-51240 | BOLT | 10001- | |
| 8 | 01643-31232 | WASHER | 10001- | |
| 9 | 421-46-11741 | SPACER | 10001- | |
| 10 | 421-46-11730 | SPACER | 10001- | |
| 11 | 421-46-11722 | SHAFT | 10557- | |
| 12 | 421-46-11421 | COVER | 10385- | |
| 13 | 421-46-11430 | SHIM¤ 0.2MM | 10001- | |
| 421-46-11440 | SHIM¤ 0.5MM | 10001- | ||
| 421-46-11450 | SHIM¤ 1.0MM | 10001- | ||
| 14 | 01010-31695 | BOLT | 10385- | |
| 15 | 01643-31645 | WASHER | 10385- | |
| 16 | 01010-51250 | BOLT | 10001- | |
| 17 | 01643-31232 | WASHER | 10001- | |
| 18 | 419-70-11340 | PLATE | 10557- | |
| 19 | 01010-31630 | BOLT | 10385- | |
| 20 | 01643-31645 | WASHER | 10557- | |
| 21 | 419-09-11250 | FITTING,GREASE | 20001- | |
| 22 | 421-46-11361 | BEARING | 10001- | |
| 23 | 07011-00080 | SEAL,DUST | 10001- | |
| 24 | 421-46-11470 | RETAINER | 10001- | |
| 25 | 421-46-11371 | SHIM¤ 0.1MM | 10001- | |
| 421-46-11381 | SHIM¤ 0.5MM | 10001- | ||
| 26 | 01010-51235 | BOLT | 10001- | |
| 27 | 01643-31232 | WASHER | 10001- | |
| 28 | 421-46-12331 | BUSHING | 20502- | |
| \0\421-46-12330 | BUSHING | 20001-20501 | ||
| 29 | 421-46-11461 | SHAFT | 10001- | |
| 30 | 01010-51625 | BOLT | 10001- | |
| 31 | 421-70-11280 | WASHER | 10001- | |
| 32 | 07020-00675 | FITTING,GREASE | 20001- | |
| 33 | 07020-00000 | FITTING,GREASE | 20001- | |
| 34 | 421-09-11340 | SEAL,DUST | 10001- | |
| 35 | 421-46-11770 | SHIM¤ 1.0MM | 20001- | |
| 36 | 421-46-11780 | SHIM¤ 0.5MM | 20001- | |
| 421-46-11770 | SHIM¤ 1.0MM | 20001- | ||
| 37 | 421-46-11760 | PIN | 10001- | |
| 38 | 01010-51220 | BOLT | 10001- | |
| 39 | 175-54-34170 | WASHER | 10001- | |
| 40 | 421-46-11824 | COVER | 20001- | |
| 421-877-1182 | COVER,(FOR FRONT ATTACHMENT) | 20001- | ||
| 41 | 415-46-11370 | SPACER | 20001- | |
| 42 | 415-46-11380 | CUSHION | 20001- | |
| 43 | 01640-22232 | WASHER | 20001- | |
| 44 | 01435-01235 | BOLT | 20001- | |
| 45 | 421-09-12240 | BOLT | 10001- | |
| 46 | 01643-33080 | WASHER | 10001- | |
| 47 | 01580-03024 | NUT | 10001- | |
| 48 | 421-54-11512 | FENDER,L.H. | 20001- | |
| 49 | 421-54-11522 | FENDER,R.H. | 20001- | |
| 50 | 01435-01225 | BOLT | 20001- |
