
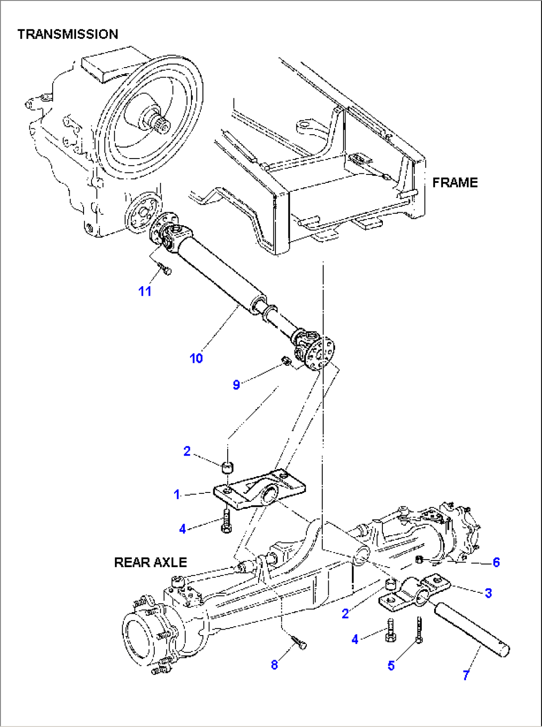
| Item | Part No. | Part Name | Qty | Serial No. |
| 1 | 312606601 | REAR SUPPORT | 97F20001- | |
| 2 | CAO116529 | BUSHING | 97F20001- | |
| 3 | 312606600 | FRONT SUPPORT | 97F20001- | |
| 4 | 801015653 | BOLT | 97F20001- | |
| 5 | 801015584 | BOLT | 97F20001- | |
| 6 | 801880212 | SELF-LOCKING NUT | 97F20001- | |
| 7 | 312606602 | PIN | 97F20001- | |
| 8 | 801015109 | BOLT | 97F20001- | |
| 9 | 801880001 | SELF-LOCKING NUT | 97F20001- | |
| 10 | 312606055 | SHAFT | 97F20001- | |
| 11 | 801015556 | BOLT | 97F20001- |
