
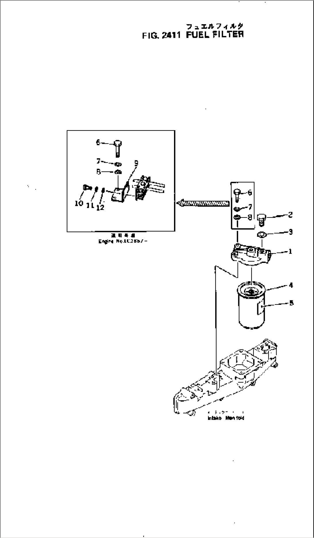
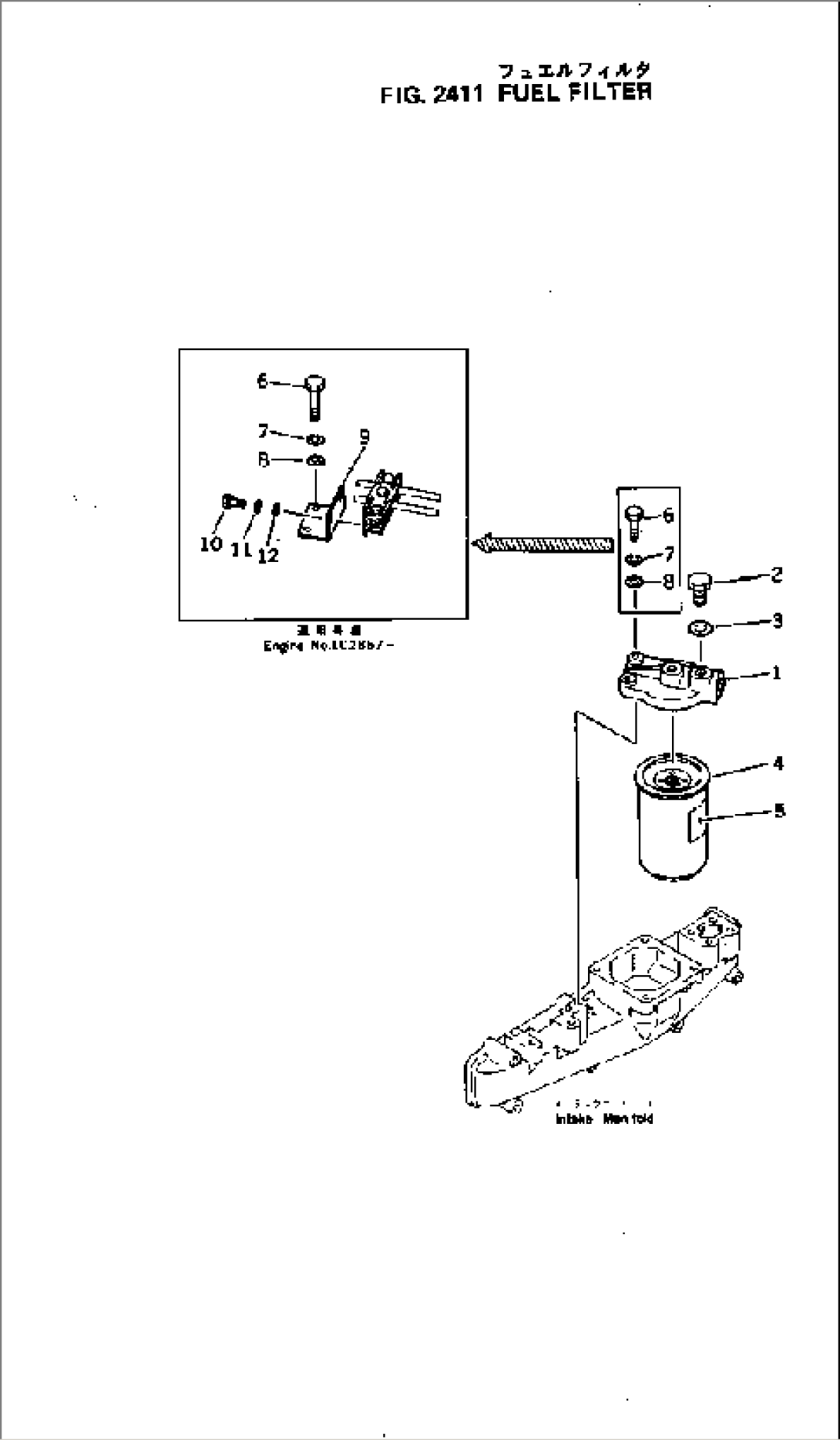
| Item | Part No. | Part Name | Qty | Serial No. |
| 6134-71-6100 | FUEL FILTER ASS'Y | 105504- | ||
| 1 | 6136-71-6110 | HEAD | 105504- | |
| 2 | 600-311-6720 | PLUG | 105504- | |
| 3 | 07005-00812 | GASKET | 105504- | |
| 4 | 600-311-6220 | CARTRIDGE | 105504- | |
| 6 | 01010-31050 | BOLT | 105504- | |
| 7 | 01602-01030 | WASHER,SPRING | 105504- | |
| 8 | 01640-01016 | WASHER | 105504-. | |
| 9 | 6134-71-5760 | BRACKET | 105504- | |
| 10 | 01010-30616 | BOLT | 105504- | |
| 11 | 01602-00619 | WASHER,SPRING | 105504- | |
| 12 | 01643-30623 | WASHER | 105504- |
