
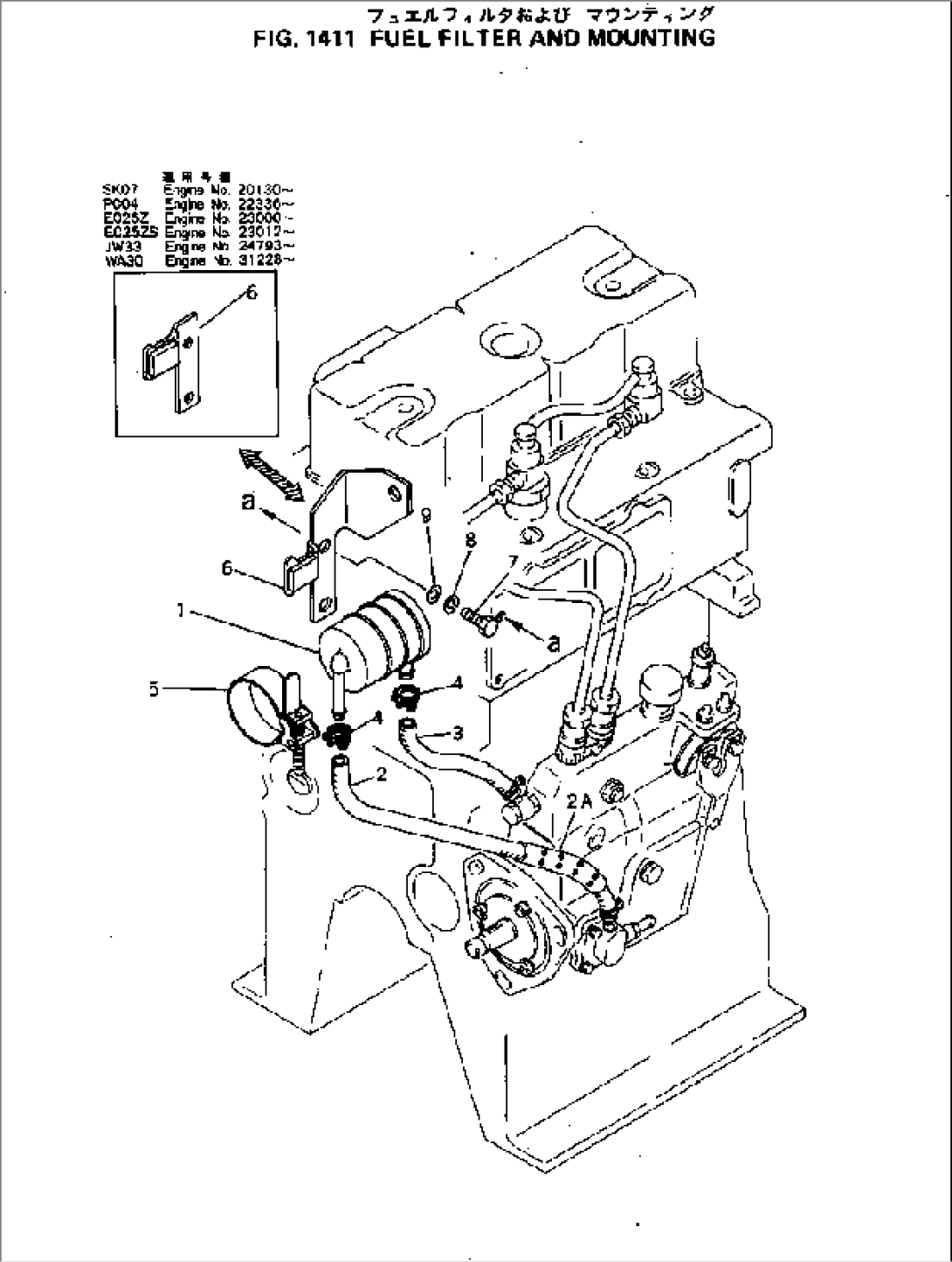
| Item | Part No. | Part Name | Qty | Serial No. |
| 6142-72-6120 | FUEL FILTER ASS'Y | 23000- | ||
| 1 | 600-311-6130 | CARTRIDGE | 23000- | |
| 2 | 600-311-6612 | HOSE | 23000- | |
| 3 | 600-311-6620 | HOSE | 23000- | |
| 4 | 600-714-1410 | CLAMP | 23000- | |
| 5 | 600-714-1120 | CLAMP | 23000- | |
| 6 | 6142-71-6220 | BRACKET | 23000- | |
| 7 | 01010-30816 | BOLT | 23000- | |
| 8 | 01602-00825 | WASHER,SPRING | 23000- | |
| 9 | 01643-30823 | WASHER | 23000- |
