
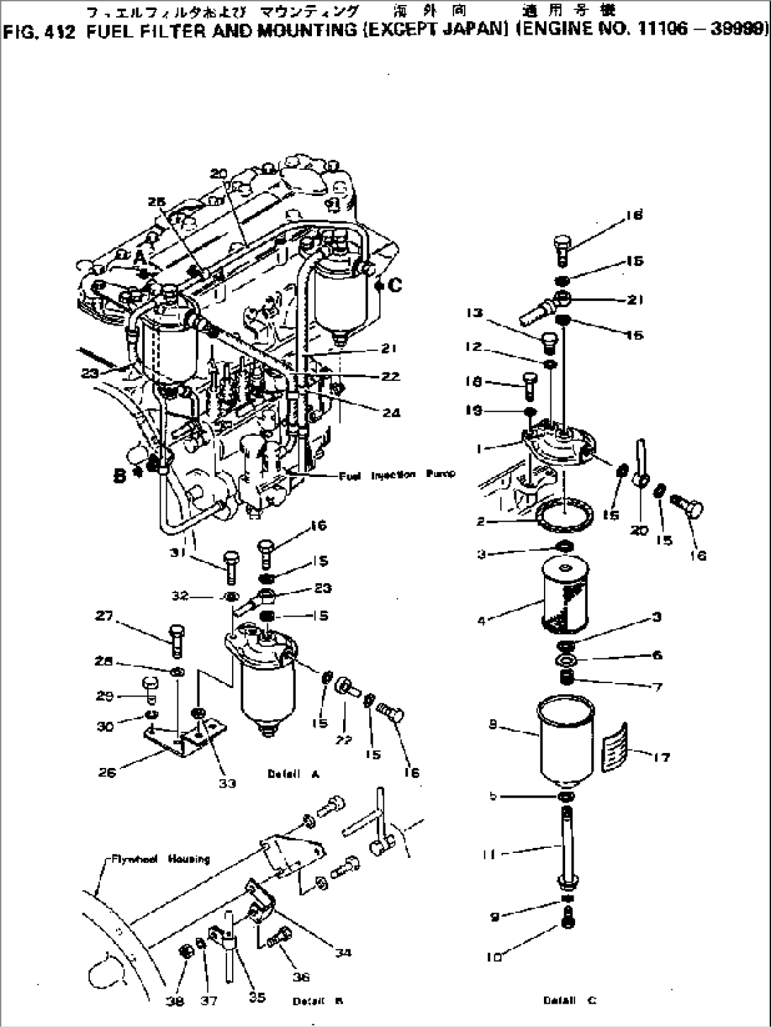
| Item | Part No. | Part Name | Qty | Serial No. |
| 6130-71-6102 | FUEL FILTER ASS'Y | 11106-39999 | ||
| 1 | 600-311-6110 | COVER | 11106-39999 | |
| 6130-70-8010 | ELEMENT ASS'Y | 11106-39999 | ||
| 2 | 600-311-6310 | GASKET | 11106-39999 | |
| 3 | 600-311-6320 | GASKET | 11106-39999 | |
| 4 | \6\ | ELEMENT | 11106-39999 | |
| 5 | 600-311-6410 | GASKET | 11106-39999 | |
| 6 | 600-311-6530 | RETAINER | 11106-39999 | |
| 7 | 600-311-6520 | SPRING | 11106-39999 | |
| 8 | 600-311-8120 | BODY | 11106-39999 | |
| 9 | 07005-00812 | GASKET | 11106-39999 | |
| 10 | 600-311-6720 | PLUG | 11106-39999 | |
| 11 | 600-311-8510 | BOLT | 11106-39999 | |
| 12 | 07005-01412 | GASKET | 11106-39999 | |
| 13 | 600-311-6710 | PLUG | 11106-39999 | |
| 15 | 07005-01412 | GASKET | 11106-39999 | |
| 16 | 07206-11014 | BOLT,JOINT | 11106-39999 | |
| 17 | 600-311-8941 | PLATE, CAUTION | 11106-39999 | |
| 18 | 01010-31035 | BOLT | 11106-39999 | |
| 19 | 01602-01030 | WASHER,SPRING | 11106-39999 | |
| 20 | 6130-71-5960 | PIPE | 11106-39999 | |
| 21 | 6130-71-5630 | HOSE | 11106-39999 | |
| 22 | 6130-71-5640 | HOSE | 11106-39999 | |
| 23 | 6130-71-5650 | HOSE | 11106-39999 | |
| 24 | 6130-71-5670 | CLIP | 11106-39999 | |
| 25 | 6130-71-5680 | CLIP | 11106-39999 | |
| 26 | 6130-71-6210 | BRACKET | 11106-39999 | |
| 27 | 01010-31020 | BOLT | 11106-39999 | |
| 28 | 01602-01030 | WASHER,SPRING | 11106-39999 | |
| 29 | 01010-30820 | BOLT | 11106-39999 | |
| 30 | 01602-00825 | WASHER,SPRING | 11106-39999 | |
| 31 | 01010-31035 | BOLT | 11106-39999 | |
| 32 | 01641-01016 | WASHER | 11106-39999 | |
| 33 | 6140-71-6240 | RUBBER | 11106-39999 | |
| 34 | 6112-13-4360 | BRACKET | 11106-39999 | |
| 35 | 6130-51-7990 | CLIP | 11106-39999 | |
| 36 | 01010-30816 | BOLT | 11106-39999 | |
| 37 | 01602-00825 | WASHER,SPRING | 11106-39999 | |
| 38 | 01580-00806 | NUT | 11106-39999 |
