
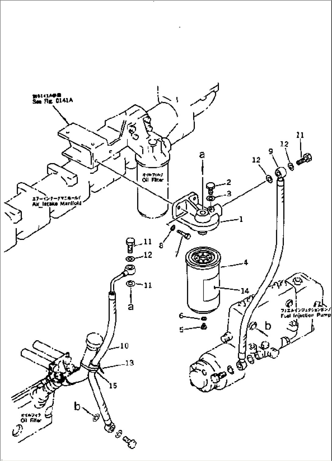
| Item | Part No. | Part Name | Qty | Serial No. |
| 6138-71-6100 | FUEL FILTER ASS'Y | 24586- | ||
| 1 | 6138-71-6110 | BRACKET | 24586- | |
| 2 | 6110-73-6231 | PLUG | 24586- | |
| 3 | 07005-00812 | GASKET | 24586- | |
| 4 | 600-311-8291 | CARTRIDGE | 24586- | |
| 5 | 6110-73-6231 | PLUG | 24586- | |
| 6 | 07005-00812 | GASKET | 24586- | |
| 7 | 01010-51030 | BOLT | 24586- | |
| 8 | 01640-21016 | WASHER | 24586- | |
| 9 | 07271-01465 | HOSE | 24586- | |
| 10 | 6150-71-6310 | HOSE | 24586- | |
| 11 | 07206-31014 | BOLT,BOLT | 24586- | |
| 12 | 07005-01412 | GASKET (K2) | 24586- | |
| 13 | 08034-00823 | BAND | 41725- | |
| 14 | 600-311-8612 | PLATE¤ CAUTION,(ENGLISH) | 24586- | |
| 15 | 205-62-72140 | COVER | 41725- |
