
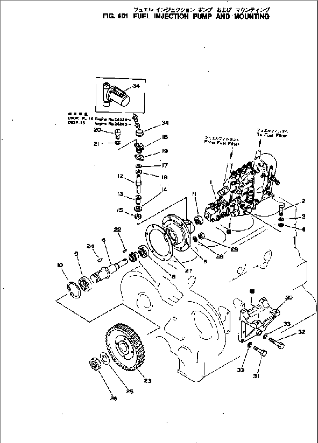
| Item | Part No. | Part Name | Qty | Serial No. |
| 1 | (6114-71-1600) | INJECTION PUMP ASS'Y,(SEE FIG.451) | 24224- | |
| 2 | 01010-30870 | BOLT | 24224- | |
| 3 | 01602-00825 | WASHER | 24224- | |
| 4 | 6110-71-5810 | WASHER | 24224- | |
| 6110-73-3101 | CASE ASS'Y | 24224- | ||
| 5 | 6110-73-3311 | CASE | 24224- | |
| 6 | 6110-73-3160 | SHAFT | 24224- | |
| 7 | 6110-73-3230 | GEAR | 24224- | |
| 8 | 06000-06204 | BEARING | 24224- | |
| 9 | 06000-06207 | BEARING | 24224- | |
| 10 | 04065-07225 | RING | 24224- | |
| 11 | 6110-73-3370 | SEAL (K2) | 24224- | |
| 12 | 6610-71-1611 | SHAFT | 24224- | |
| 13 | 6610-71-1620 | BUSHING | 24224- | |
| 14 | 6610-71-1970 | SPACER | 24224- | |
| 15 | 6110-73-3220 | GEAR | 24224- | |
| 16 | 6610-71-1911 | SEAL (K2) | 24224- | |
| 17 | 6610-71-1960 | WASHER (K2) | 24224- | |
| 18 | 6610-71-1920 | HOUSING | 24224- | |
| 19 | 6610-71-1930 | GASKET (K2) | 24224- | |
| 20 | 6110-73-3511 | SCREW | 24224- | |
| 21 | 6110-73-3520 | WASHER | 24224- | |
| 22 | 04010-10722 | KEY | 24224- | |
| 23 | 6112-73-3120 | GEAR | 24224- | |
| 24 | 04010-10732 | KEY | 24224- | |
| 25 | 6110-73-3150 | LOCK (K2) | 24224- | |
| 26 | 6110-73-3140 | NUT | 24224- | |
| 27 | 6110-71-3811 | GASKET (K2) | 24224- | |
| 28 | (01602-00825) | WASHER,(SEE FIG.201) | 24224- | |
| 29 | (01580-00806) | NUT,(SEE FIG.201) | 24224- | |
| 30 | 6110-23-6110 | BRACKET | 24224- | |
| 31 | 01010-31030 | BOLT | 24224- | |
| 32 | 01010-31035 | BOLT | 24224- | |
| 33 | 01602-01030 | WASHER | 24224- | |
| 34 | 08684-00345 | METER | 24224- |
