
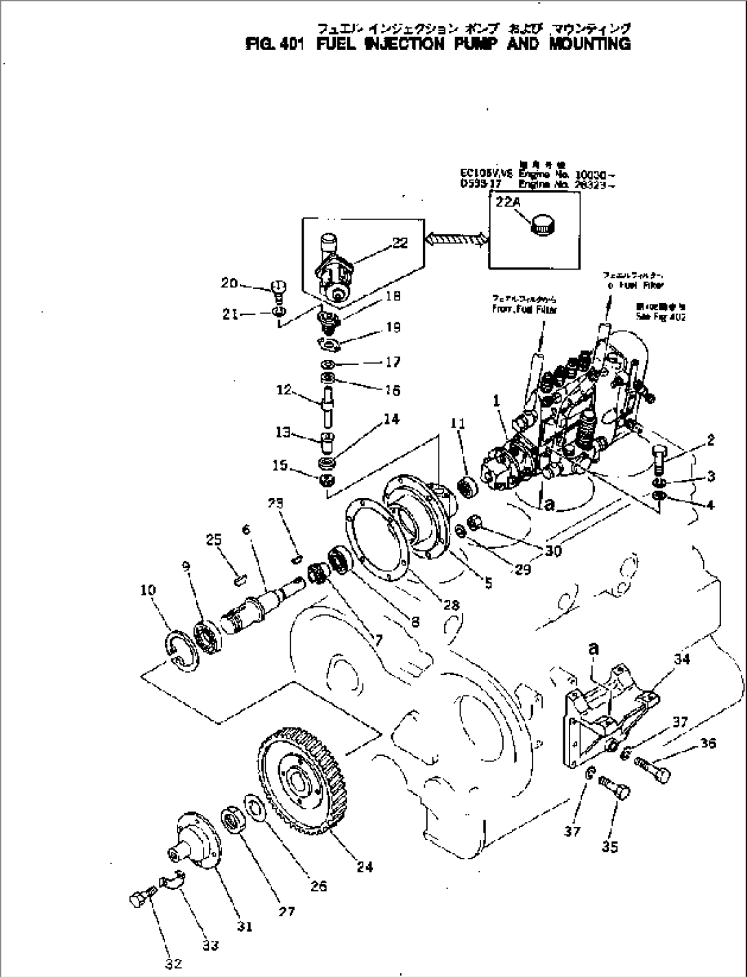
| Item | Part No. | Part Name | Qty | Serial No. |
| 1 | (6114-71-1400) | INJECTION PUMP ASS'Y,(4D130-1D)(SEE FIG.456) | 10544- | |
| (6114-71-1202) | INJECTION PUMP ASS'Y,(4D130-1F)(SEE FIG.451) | .- | ||
| (6114-71-1201) | INJECTION PUMP ASS'Y,(4D130-1F)(SEE FIG.451) | 10589-. | ||
| 6114-71-1901 | INJECTION PUMP ASS'Y,(4D130-1F)(TRIMMING SPEC.) | .- | ||
| \0\6114-71-1900 | INJECTION PUMP ASS'Y,(4D130-1F)(TRIMMING SPEC.) | 10589-. | ||
| 2 | 01010-30870 | BOLT | 10554- | |
| 3 | 01602-00825 | WASHER | 10554- | |
| 4 | 6110-71-5810 | WASHER | 10554- | |
| 6110-73-3101 | CASE ASS'Y | 10554- | ||
| 5 | 6110-73-3311 | CASE | 10554- | |
| 6 | 6110-73-3160 | SHAFT | 10554- | |
| 7 | 6110-73-3230 | GEAR | 10554- | |
| 8 | 06000-06204 | BEARING | 10554- | |
| 9 | 06000-06207 | BEARING | 10554- | |
| 10 | 04065-07225 | RING | 10554- | |
| 11 | 6110-73-3370 | SEAL (K2) | 10554- | |
| 12 | 6610-71-1610 | SHAFT | 10554- | |
| 13 | 6610-71-1620 | BUSHING | 10554- | |
| 14 | 6610-71-1970 | SPACER | 10554- | |
| 15 | 6110-73-3220 | GEAR | 10554- | |
| 16 | 6610-71-1911 | SEAL (K2) | 10554- | |
| 17 | 6610-71-1960 | WASHER (K2) | 10554- | |
| 18 | 6610-71-1920 | HOUSING | 10554- | |
| 19 | 6610-71-1930 | GASKET (K2) | 10554- | |
| 20 | 6110-73-3511 | SCREW | 10554- | |
| 21 | 6110-73-3520 | WASHER | 10554- | |
| 22 | 08684-00345 | METER | 10554- | |
| 08684-20345 | METER,(FOR SLAG HANDLING)(4D130-1F) | 12588- | ||
| 08684-00012 | WINDOW | 10554- | ||
| 08684-20012 | WINDOW,(FOR SLAG HANDLING)(4D130-1F) | 12588- | ||
| 23 | 04010-10722 | KEY | 10554- | |
| 24 | 6112-73-3120 | GEAR | 10554- | |
| 25 | 04010-10732 | KEY | 10554- | |
| 26 | 6110-73-3150 | LOCK (K2) | 10554- | |
| 27 | 6110-73-3140 | NUT | 10554- | |
| 28 | 6110-71-3811 | GASKET (K2) | 10554- | |
| 29 | (01602-00825) | WASHER,(SEE FIG.201) | 10554- | |
| 30 | (01580-00806) | NUT,(SEE FIG.201) | 10554- | |
| 34 | 6110-23-6110 | BRACKET | 10554- | |
| 35 | 01010-31030 | BOLT | 10554- | |
| 36 | 01010-31035 | BOLT | 10554- | |
| 37 | 01602-01030 | WASHER | 10554- |
