
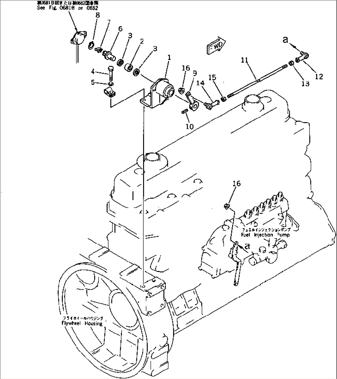
| Item | Part No. | Part Name | Qty | Serial No. |
| 1 | 6137-72-9710 | BRACKET | 78805- | |
| 2 | 702-16-11490 | BEARING | 61481- | |
| 3 | 702-16-11510 | SEAL,OIL (K2) | 61481- | |
| 4 | 01010-31020 | BOLT | 78040- | |
| 5 | 01602-01030 | WASHER,SPRING | 78040- | |
| 6 | 6136-71-9730 | SHAFT | 61481- | |
| 7 | 7861-91-4120 | SPRING | 83572- | |
| \0\142-43-13180 | SPRING | 61481-83571 | ||
| 8 | 04064-01610 | RING,SNAP | 61481- | |
| 9 | 6137-72-9720 | LEVER | 78805- | |
| 10 | 04025-00432 | PIN,SPRING | 61481- | |
| 11 | 04248-50631 | ROD | 61481- | |
| 12 | 6966-83-3720 | JOINT,BALL¤ L.H. THREAD | 61481- | |
| 13 | 01508-20603 | NUT,L.H. THREAD | 61481- | |
| 14 | 6966-83-3710 | JOINT,BALL | 61481- | |
| 15 | 01580-10605 | NUT | 61481- | |
| 16 | 01584-00605 | NUT | 61481- |
