
| Item | Part No. | Part Name | Qty | Serial No. |
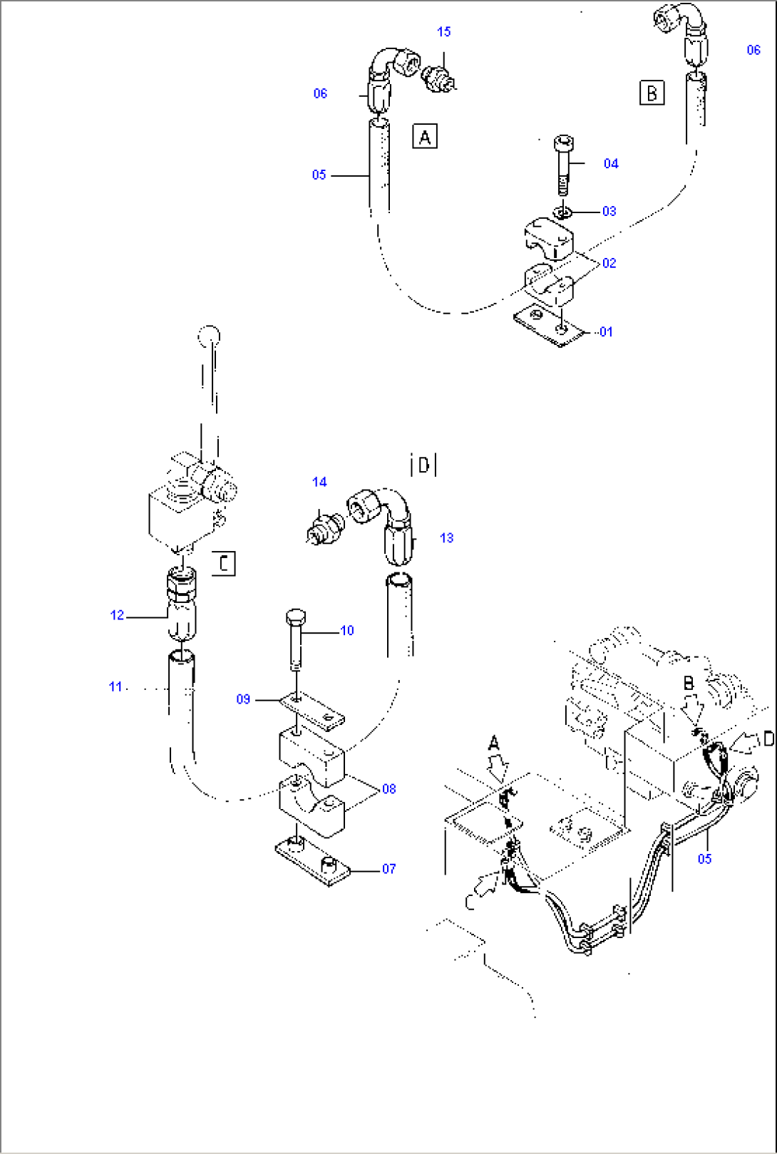
| 01 | 533 992 99 | Welding plate | ||
| 02 | 502 632 98 | Half clamp | ||
| 03 | 340 405 99 | Washer | ||
| 04 | 319 133 99 | Screw | ||
| 05 | 269 130 40 | Hose DN 16x7000 lg. Bulk ware, state length required | ||
| 06 | 266 647 40 | Hose fittings | ||
| 07 | 534 005 99 | Welding plate | ||
| 08 | Half clamp | |||
| 09 | 534 004 99 | Cover plate | ||
| 10 | 308 581 99 | Bolt | ||
| 11 | 256 174 40 | Hose DN 25x5000 lg. Bulk ware, state length required | ||
| 12 | 269 392 40 | Hose fittings | ||
| 13 | 256 181 40 | Hose fittings | ||
| 14 | 330 987 40 | Socket | ||
| 15 | 374 437 99 | Socket |
