
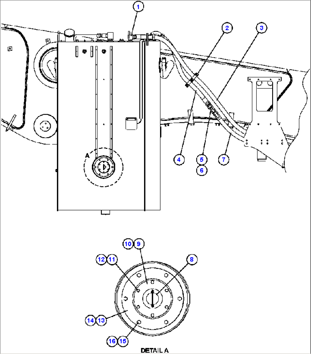
| Item | Part No. | Part Name | Qty | Serial No. |
| 1 | WB0277 | FITTING, ELBOW - 90 DEG | ||
| 2 | WA4712 | CLAMP, HYDRA ZORB - 2" | ||
| 3 | HA8460 | HOSE | ||
| 4 | VW4075 | HOSE | ||
| 5 | PC0799 | VALVE, BALL - FULL PORT | ||
| 6 | TD7426 | FITTING, ADAPTER | ||
| 7 | HA0195 | HOSE | ||
| 8 | VW6420 | CAP, REFUELING | ||
| 9 | TA9974 | FLANGE ASSEMBLY | ||
| 10 | VW4748 | GASKET | ||
| 11 | TD1809 | CAPSCREW - 1/4" - 20NC X 3/4" | ||
| 12 | DC3584 | LOCKWASHER - 1/4" | ||
| 13 | EK7337 | PLATE, ADAPTER - WIGGINS | ||
| 14 | TA1691 | GASKET | ||
| 15 | TD0791 | CAPSCREW - 3/8" - 16NC X 1 1/4" | ||
| 16 | TC1231 | LOCKWASHER - 3/8" |
