
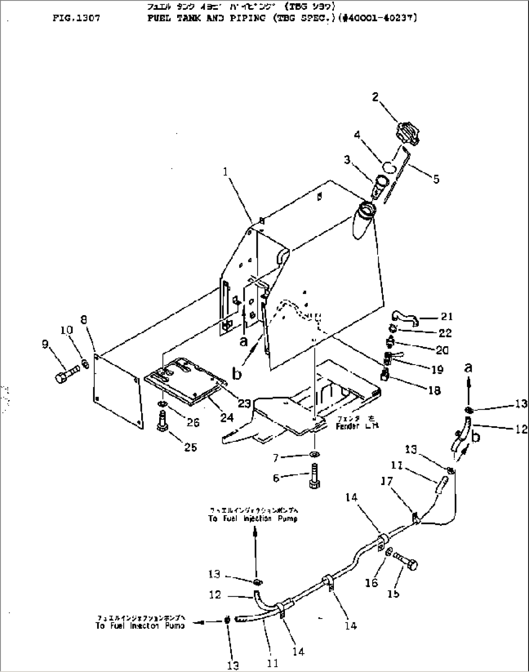
| Item | Part No. | Part Name | Qty | Serial No. |
| 1 | 113-04-49122 | TANK | 40001-@ | |
| 2 | 07091-10920 | CAP | 40001-@ | |
| 2 | 07050-20922 | GASKET | 40001-@ | |
| 3 | 07056-16415 | STRAINER | 40001-@ | |
| 4 | 07057-03266 | RING | 40001-@ | |
| 5 | 113-04-41120 | GAUGE | 40001-@ | |
| 6 | 01010-51440 | BOLT | 40001-@ | |
| 7 | 01643-31445 | WASHER | 40001-@ | |
| 8 | 113-54-43130 | PLATE | 40001-40237 | |
| 9 | 113-B44-1230 | BOLT | 40001-40237 | |
| 10 | 01643-31032 | WASHER | 40001-@ | |
| 11 | 07288-01019 | HOSE | 40001-@ | |
| 12 | 07288-01024 | HOSE | 40001-@ | |
| 13 | 07281-00197 | CLAMP | 40001-@ | |
| 14 | 08036-03014 | CLIP | 40001-@ | |
| 15 | 01010-51020 | BOLT | 40001-@ | |
| 16 | 01602-21030 | WASHER,SPRING | 40001-@ | |
| 17 | 08036-01414 | CLIP | 40001-@ | |
| 18 | 113-04-32120 | ELBOW | 40001-@ | |
| 19 | 07700-40240 | VALVE | 40001-@ | |
| 20 | 113-04-22150 | NIPPLE | 40001-@ | |
| 21 | 07270-01265 | TUBE | 40001-@ | |
| 22 | 07285-00150 | CLIP | 40001-@ | |
| 23 | 113-54-49340 | SEAT | 40001-40237 | |
| 24 | 113-C62-1260 | SHEET | 40001-40237 | |
| 25 | 01010-51020 | BOLT | 40001-@ | |
| 26 | 01602-21030 | WASHER,SPRING | 40001-@ |
