
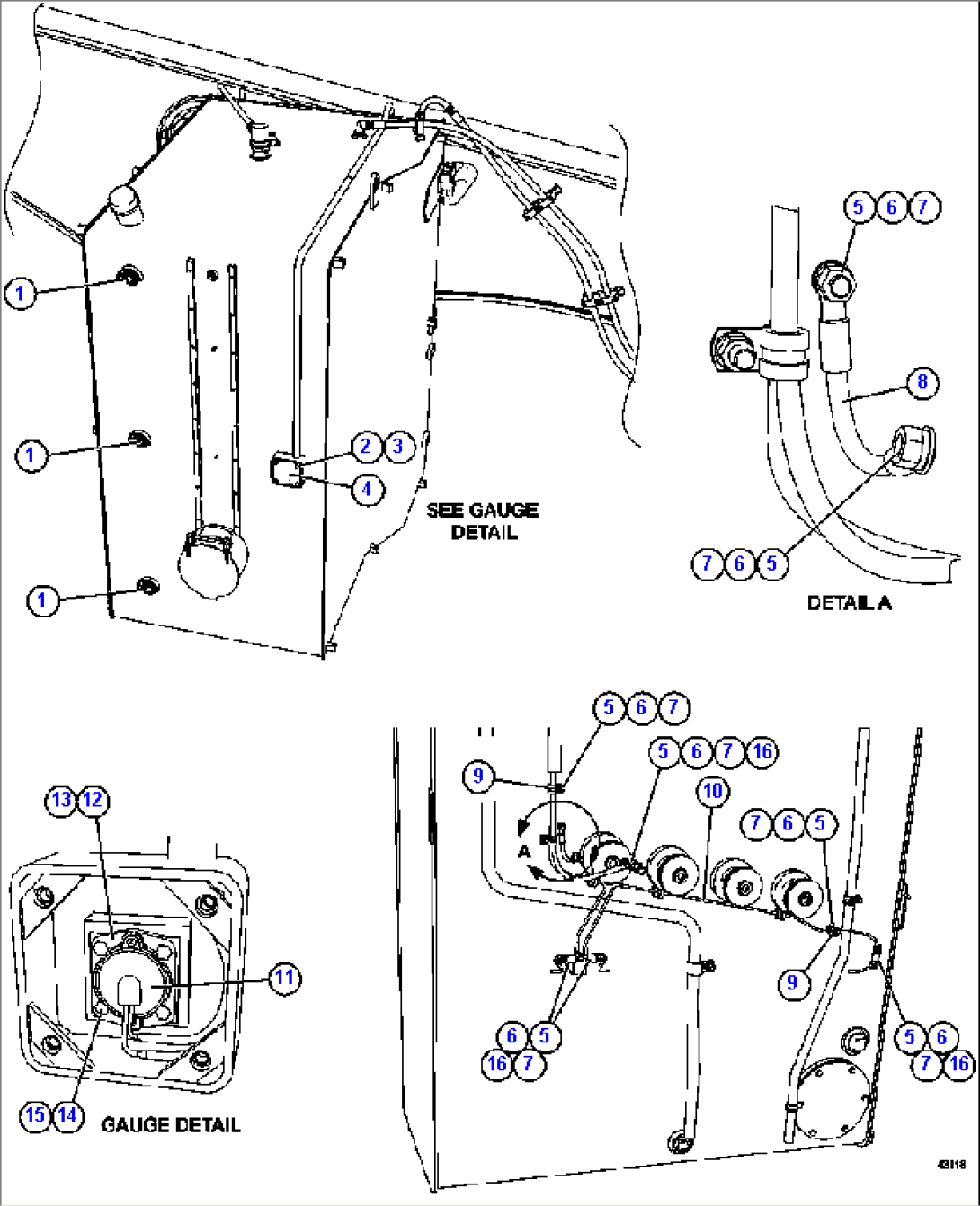
| Item | Part No. | Part Name | Qty | Serial No. |
| 1 | PC3323 | SIGHT GLASS | ||
| 2 | MM0047 | CAPSCREW - M10 X 1.50 X 30 | ||
| 3 | MM0471 | LOCKWASHER - M10 | ||
| 4 | XB0458 | PLATE | ||
| 5 | MM0178 | NUT - M10 X 1.50 | ||
| 6 | MM0471 | LOCKWASHER - M10 | ||
| 7 | MM0461 | FLAT WASHER - M10 | ||
| 8 | VL4462 | WIRE, GROUND | ||
| 9 | WB3097 | CLAMP, CUSHION - 1/2" | ||
| 10 | XB3299 | HARNESS, FUEL TANK | ||
| 11 | PC0371 | DISPLAY/TRANSMITTER FUEL GAUGE | ||
| 12 | PB9513 | FLOAT ARM, FUEL GAUGE | ||
| 13 | PC2323 | GASKET | ||
| 14 | H5769 | CAPSCREW - 1/4" - 28NF X 5/8" | ||
| 15 | C5774 | LOCKWASHER - 1/4" | ||
| 16 | 08193-21012 | CLIP, CONNECTOR |
