
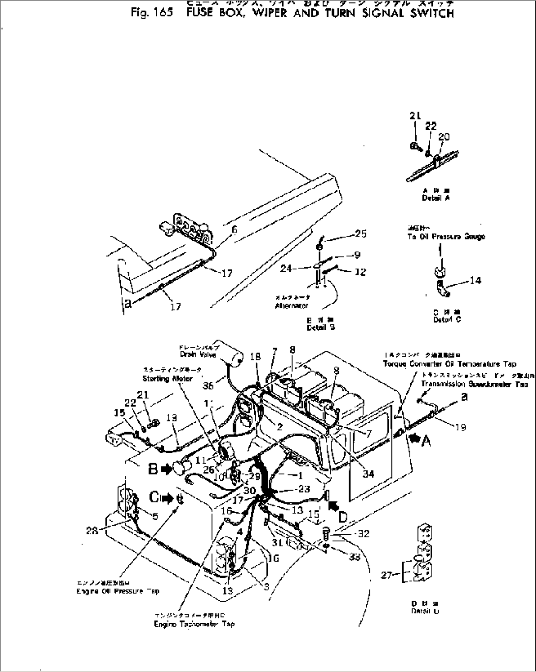
| Item | Part No. | Part Name | Qty | Serial No. |
| 1 | 561-06-11930 | HARNESS | 1101- | |
| 2 | 561-06-31120 | HARNESS | 1101- | |
| 3 | 569-06-12951 | HARNESS | 1101- | |
| 4 | 569-06-12971 | HARNESS | 1101- | |
| 5 | 566-06-12981 | HARNESS | 1101- | |
| 6 | 566-06-12992 | WIRE HARNESS | 1101- | |
| 7 | 566-06-12310 | WIRE | 1101- | |
| 8 | 281-06-11220 | CABLE | 1101- | |
| 9 | 568-06-12180 | CABLE | 1101-1108 | |
| 10 | 480-07-16640 | CABLE | 1101- | |
| 11 | 568-06-12190 | CABLE | 1101- | |
| 12 | 568-06-12220 | CABLE | 1101- | |
| 13 | 08037-01008 | GROMMET | 1101- | |
| 14 | 6610-81-8820 | ELBOW | 1101- | |
| 15 | 08036-10614 | CLIP | 1101- | |
| 16 | 08036-11214 | CLIP | 1101- | |
| 17 | 08036-01414 | CLIP | 1101- | |
| 18 | 08036-01814 | CLIP | 1101- | |
| 19 | 08036-03014 | CLIP | 1101- | |
| 20 | 281-01-13180 | CLIP | 1101- | |
| 21 | 01010-51016 | BOLT | 1101- | |
| 22 | 01602-21030 | WASHER | 1101- | |
| 23 | 281-06-16760 | BAND | 1101- | |
| 24 | 08038-02027 | CAP | 1101- | |
| 25 | 600-815-2730 | CABLE | 1101- | |
| 26 | 08038-00035 | CAP | 1101- | |
| 27 | 08029-05515 | WIRE | 1101- | |
| 28 | 569-06-12460 | CABLE | 1101- | |
| 29 | 287-06-11220 | CABLE | 1101- | |
| 30 | 581-06-11280 | CABLE | 1101- | |
| 31 | 565-06-11641 | WIRE | 1101- | |
| 32 | 01010-51016 | BOLT | 1101- | |
| 33 | 01602-21030 | WASHER | 1101- | |
| 34 | 568-95-11520 | CABLE | 1101- | |
| 35 | 566-06-12770 | WIRE | 1101- |
