
| Item | Part No. | Part Name | Qty | Serial No. |
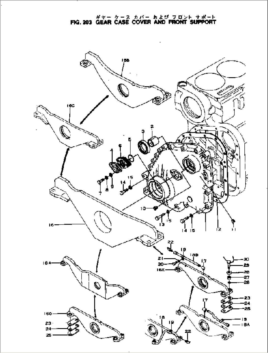
| 6643-21-3011 | COVER ASS'Y,GEAR CASE | 41227- | ||
| \0\6643-21-3010 | COVER ASS'Y,GEAR CASE | 8013-41226 | ||
| 1 | \6\ | COVER,GEAR CASE | 41227- | |
| \6\ | COVER,GEAR CASE | 8013-41226 | ||
| 2 | 6610-21-3120 | BUSHING | 8013- | |
| 3 | 6610-21-3511 | SEAL,OIL¤ PUMP DRIVE (K4) | 8013- | |
| 4 | 6620-21-3210 | PLATE,THRUST¤ CAMSHAFT | 8013- | |
| 5 | 6620-21-3240 | O-RING (K4) | 8013- | |
| 6 | 6620-21-3040 | SHIM ASS'Y,THRUST PLATE (K4) | 8013- | |
| 6620-21-3310 | SHIM¤ 0.25MM (K4) | 8013- | ||
| 6620-21-3320 | SHIM¤ 0.13MM (K4) | 8013- | ||
| 6620-21-3330 | SHIM¤ 0.05MM (K4) | 8013- | ||
| 7 | 02010-20619 | BOLT | 8013- | |
| 8 | 02310-11224 | WASHER,SPRING | 8013- | |
| 9 | 02300-11320 | WASHER | 8013- | |
| 10 | 02720-20608 | PLUG | 8013- | |
| 11 | 02720-20204 | PLUG | 8013- | |
| 12 | 6685-21-3810 | GASKET (K4) | .- | |
| \0\6643-21-3810 | GASKET (K4) | 8013-. | ||
| 13 | 02030-20764 | BOLT | 8013- | |
| 14 | 02030-20751 | BOLT | 8013- | |
| 15 | 02310-11428 | WASHER,SPRING | 8013- | |
| 16A | 6691-21-3712 | SUPPORT,FRONT | 15057- | |
| 6691-21-3711 | SUPPORT,FRONT | 8013-15056 | ||
| 23 | 6681-20-3931 | SHIM ASS'Y,FRONT SUPPORT | 8013- | |
| 6681-23-3941 | SHIM¤ 0.2MM | 8013- | ||
| 6681-23-3951 | SHIM¤ 0.1MM | 8013- | ||
| 24 | 6681-20-3921 | SHIM ASS'Y,FRONT SUPPORT | 8013- | |
| 6681-22-3931 | SHIM¤ 0.5MM | 8013- | ||
| 6681-22-3941 | SHIM¤ 0.2MM | 8013- | ||
| 6681-22-3951 | SHIM¤ 0.15MM | 8013- | ||
| 26 | 6643-21-3982 | BUSHING | 8013- | |
| 27 | 6643-21-3912 | BUSHING | 8013- | |
| 28 | 6643-21-3871 | SEAT,FRONT | 8013- | |
| 29 | 6675-21-3863 | BOLT | 8013- | |
| 30 | 04059-01650 | WIRE,LOCK | 8013- |
