
| Item | Part No. | Part Name | Qty | Serial No. |
| (273-14-12100) | TRANSMISSION ASS'Y | 30042- | ||
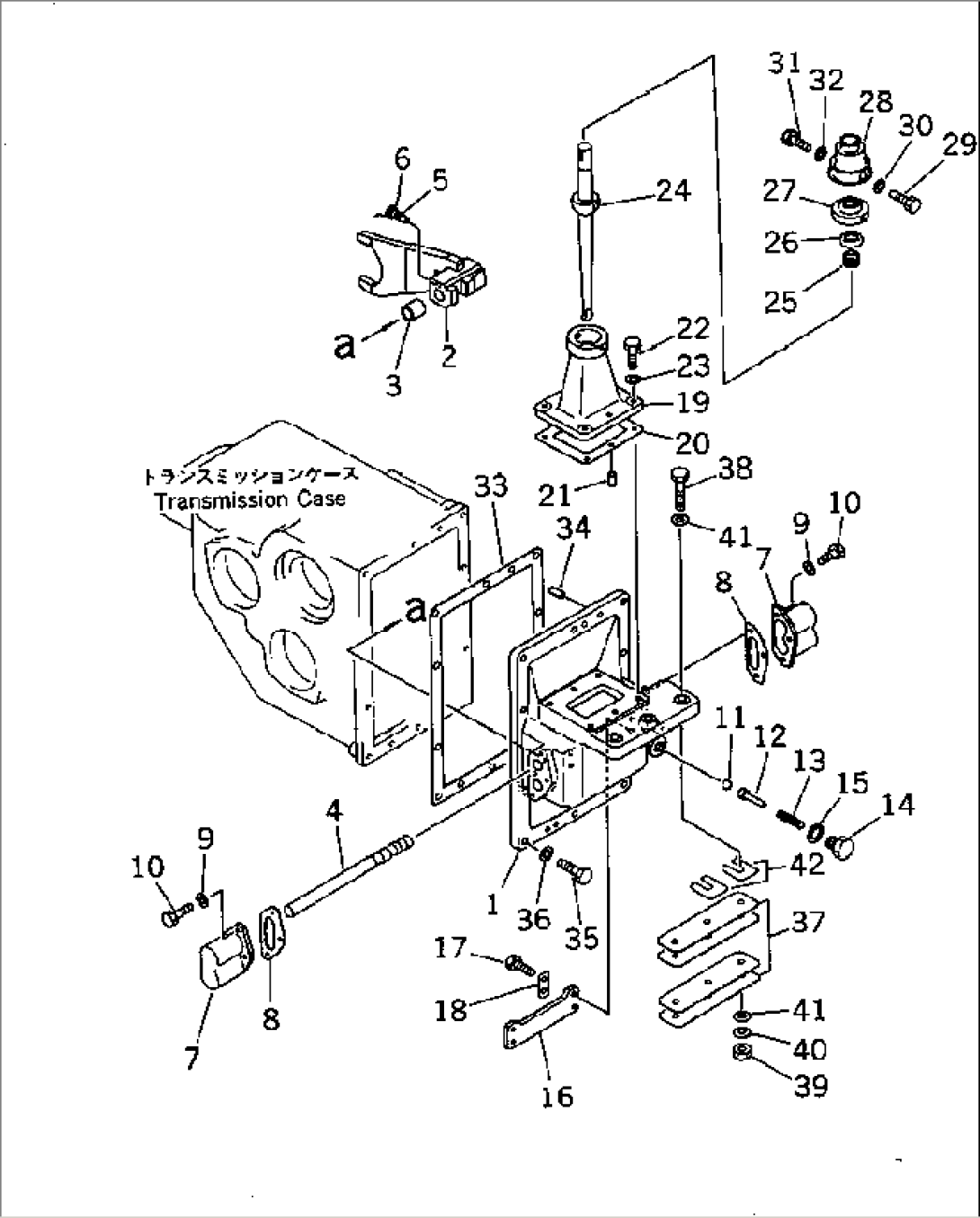
| THIS ASSEMBLY CONSISTS OF ALL PARTS SHOWN IN FIGS.2411 TO 2417. | ||||
| 1 | 273-14-11120 | CASE | 30042- | |
| 2 | 273-14-11530 | FORK | 30042- | |
| 3 | 273-14-11560 | COLLAR | 30042- | |
| 4 | 273-14-11520 | SHAFT | 30042- | |
| 5 | 232-14-17451 | BOLT | 30042- | |
| 6 | 04059-01025 | WIRE | 30042- | |
| 7 | 232-14-17140 | COVER | 30042- | |
| 8 | 234-14-17150 | GASKET | 30042- | |
| 9 | 01643-30823 | WASHER | 30042- | |
| 10 | 01010-50825 | BOLT | 30042- | |
| 11 | 04260-01587 | BALL | 30042- | |
| 12 | 232-14-17490 | GUIDE | 30042- | |
| 13 | 273-14-11581 | SPRING | 30082- | |
| 13 | 273-14-11580 | SPRING | 30042-30081 | |
| 14 | 273-14-11590 | PLUG | 30082- | |
| 14 | 232-14-17373 | PLUG | 30042-30081 | |
| 15 | 07003-12026 | GASKET | 30042- | |
| 16 | 273-14-12110 | GUIDE | 30042- | |
| 17 | 01010-51025 | BOLT | 30042- | |
| 18 | 232-14-13190 | LOCK | 30042- | |
| 19 | 273-14-11170 | BRACKET | 30042- | |
| 20 | 273-14-11181 | GASKET | 30087- | |
| 20 | \0\273-14-11180 | GASKET | 30042-30086 | |
| 21 | 04020-01228 | PIN,DOWEL | 30042- | |
| 22 | 01010-51030 | BOLT | 30042- | |
| 23 | 01643-31032 | WASHER | 30042- | |
| 24 | 273-14-11250 | LEVER | 30042- | |
| 25 | 232-14-17640 | SPRING | 30042- | |
| 26 | 238-14-15180 | CAP | 30042- | |
| 27 | 232-14-17660 | COVER | 30042- | |
| 28 | 232-14-17810 | BOOT | 30042- | |
| 29 | 232-14-17672 | BOLT | 30042- | |
| 30 | 01643-31032 | WASHER | 30042- | |
| 31 | 01010-50812 | BOLT | 30042- | |
| 32 | 01643-30823 | WASHER | 30042- | |
| 33 | 273-14-11131 | GASKET | 30087- | |
| 33 | 273-14-11130 | GASKET | 30042-30086 | |
| 34 | 04020-01228 | PIN,DOWEL | 30042- | |
| 35 | 01010-51235 | BOLT | 30042- | |
| 36 | 01643-31232 | WASHER | 30042- | |
| 37 | 273-14-00010 | SHIM ASS'Y | 30042- | |
| 37 | \6\ | SHIM, 0.5MM | 30042- | |
| 37 | \6\ | SHIM, 0.2MM | 30042- | |
| 38 | 01010-51265 | BOLT | 30042- | |
| 39 | 01580-11210 | NUT | 30042- | |
| 40 | 01643-31232 | WASHER | 30042- | |
| 41 | 01643-31232 | WASHER | 30042- | |
| 42 | 273-14-00020 | SHIM ASS'Y | 30042- | |
| 42 | \6\ | SHIM, 0.5MM | 30042- | |
| 42 | \6\ | SHIM, 0.5MM | 30042- |
