
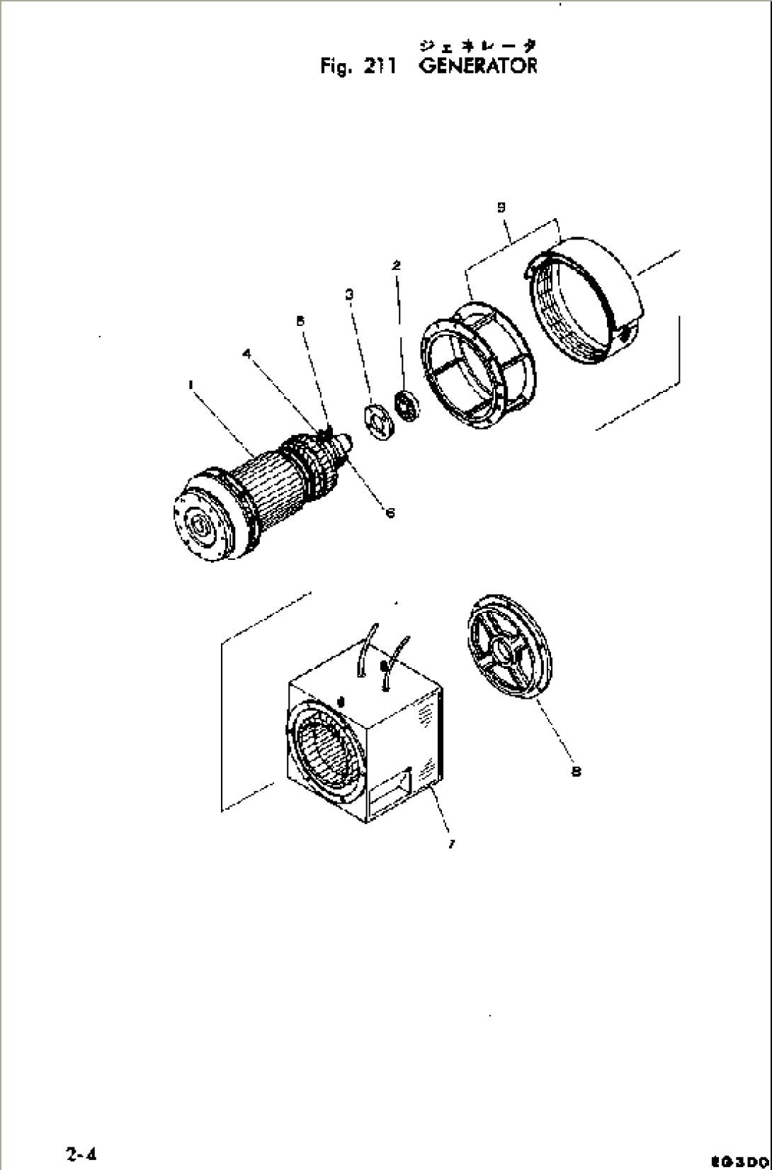
| Item | Part No. | Part Name | Qty | Serial No. |
| 6996-31-1120 | GENERATOR ASS'Y | 1001- | ||
| 1 | TEGM20189 | ROTOR ASS'Y | 1001- | |
| 2 | TEN06318ZZ | BEARING | 1001- | |
| 3 | TE4M525-025 | COVER,BEARING | 1001- | |
| 4 | TESIG01-12 | RECTIFIER | 1001- | |
| 5 | TEERG51-12 | RECTIFIER | 1001- | |
| 6 | TEB4-1 | ABSORBER | 1001- | |
| 7 | TEGM20198 | STATOR ASS'Y | 1001- | |
| 8 | TEGM20201 | SHIELD ASS'Y,BEARING | 1001- | |
| 9 | TEGM20203 | ADAPTER ASS'Y | 1001- | |
| 10 | TEGM20203-A | ADAPTER | 1001- | |
| 11 | TEGM20203-C | COVER | 1001- |
