
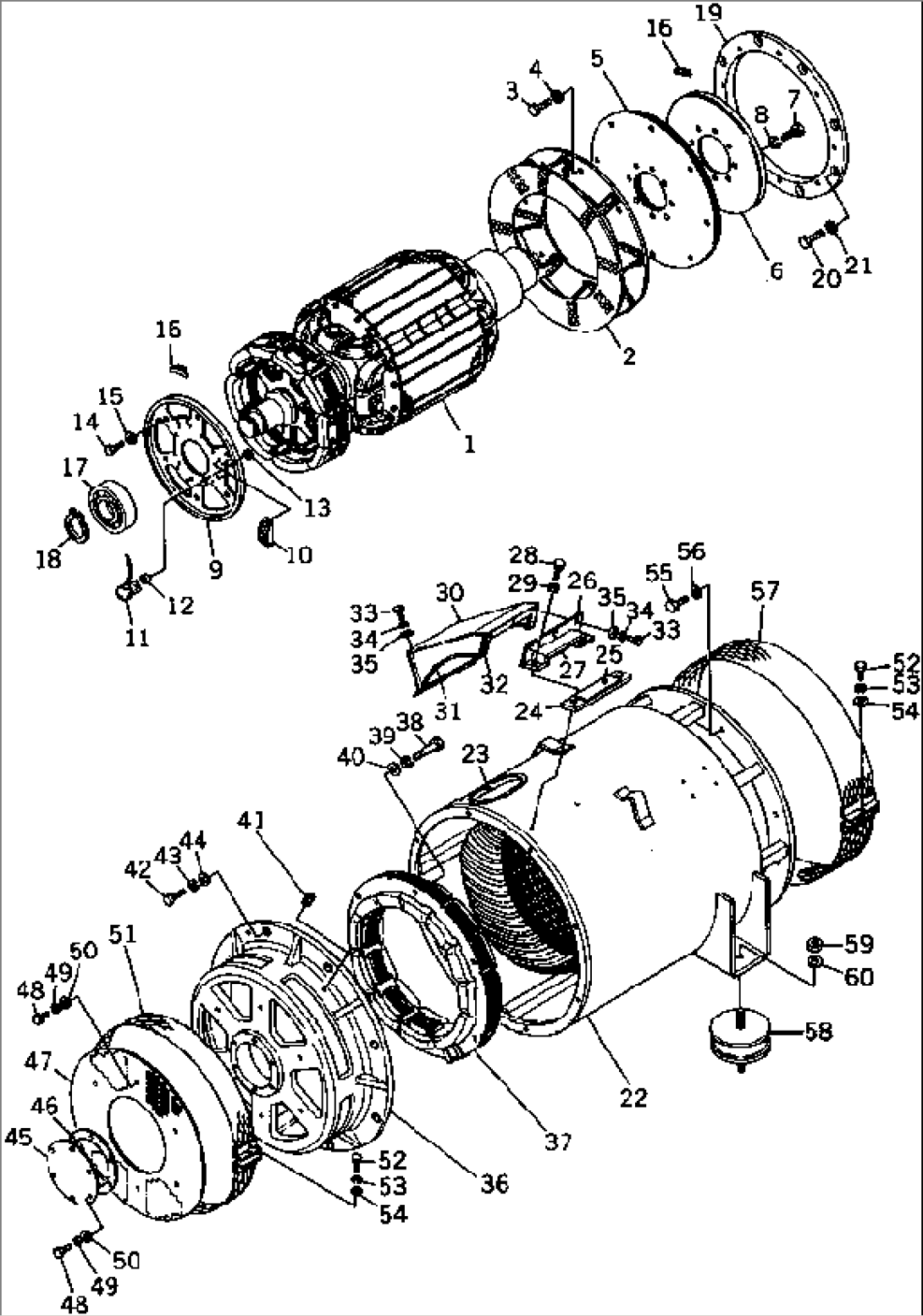
| Item | Part No. | Part Name | Qty | Serial No. |
| DY81802-15300 | GENERATOR ASS'Y | 4035- | ||
| 1 | DY81810-00002 | ROTOR ASS'Y | 4035- | |
| 2 | DY81710-70002 | FAN | 4035- | |
| 3 | DY00121-12040 | BOLT | 4035- | |
| 4 | DY00425-12000 | WASHER,SPRING | 4035- | |
| 5 | DY81716-11003 | DISK,COUPLING | 4035- | |
| 6 | DY81710-15003 | PLATE,BALANCE | 4035- | |
| 7 | DY00121-16040 | BOLT | 4035- | |
| 8 | DY00426-16000 | WASHER,SPRING | 4035- | |
| 9 | DY81710-26003 | PLATE,RECTIFIER | 4035- | |
| 10 | DY06018-21349 | RECTIFIER,PT 3610¤ RE | 4035- | |
| 11 | DY06018-22615 | ABSORBER,SURGE | 4035- | |
| 12 | DY81710-20004 | WASHER,INSULATOR | 4035- | |
| 13 | DY81710-20504 | WASHER,INSULATOR | 4035- | |
| 14 | DY00101-10020 | BOLT | 4035- | |
| 15 | DY00400-10000 | WASHER,SPRING | 4035- | |
| 16 | DY06010-00209 | WEIGHT ASS'Y | 4035- | |
| 17 | DY00708-06312 | BEARING,6312 DU | 4035- | |
| 18 | DY00800-00060 | RING,SNAP | 4035- | |
| 19 | DY81716-14003 | RING,COUPLING | 4035- | |
| 20 | DY00121-12035 | BOLT | 4035- | |
| 21 | DY00425-12000 | WASHER,SPRING | 4035- | |
| 22 | DY81813-40303 | STATOR ASS'Y | 4035- | |
| 23 | DY02261-00430 | SEAL,RUBBER | 4035- | |
| 24 | DY81713-23004 | BRACKET ASS'Y | 4035- | |
| 25 | DY02233-00120 | SEAL,RUBBER | 4035- | |
| 26 | DY81713-23103 | BRACKET ASS'Y | 4035- | |
| 27 | DY02212-00300 | SEAL,RUBBER | 4035- | |
| 28 | DY00101-10035 | BOLT | 4035- | |
| 29 | DY00416-10000 | WASHER | 4035- | |
| 30 | DY81713-24003 | COVER | 4035- | |
| 31 | DY02260-00270 | SEAL,RUBBER | 4035- | |
| 32 | DY02250-00480 | SEAL,RUBBER | 4035- | |
| 33 | DY00101-06016 | BOLT | 4035- | |
| 34 | DY00400-06000 | WASHER,SPRING | 4035- | |
| 35 | DY00416-06000 | WASHER | 4035- | |
| 36 | DY81713-15002 | BRACKET,END | 4035- | |
| 37 | DY81713-50003 | FIELD ASS'Y,EXCITER | 4035- | |
| 38 | DY00121-10060 | BOLT | 4035- | |
| 39 | DY00426-10000 | WASHER,SPRING | 4035- | |
| 40 | DY00416-10000 | WASHER | 4035- | |
| 41 | DY08450-44724 | GROMMET | 4035- | |
| 42 | DY00101-12045 | BOLT | 4035- | |
| 43 | DY00400-12000 | WASHER,SPRING | 4035- | |
| 44 | DY00416-12000 | WASHER | 4035- | |
| 45 | DY81713-10004 | COVER,BEARING | 4035- | |
| 46 | DY81713-12004 | GASKET,BEARING | 4035- | |
| 47 | DY81713-31003 | COVER,END BRACKET | 4035- | |
| 48 | DY00101-06016 | BOLT | 4035- | |
| 49 | DY00400-06000 | WASHER,SPRING | 4035- | |
| 50 | DY00416-06000 | WASHER | 4035- | |
| 51 | DY81713-33003 | COVER,END BRACKET | 4035- | |
| 52 | DY00101-06030 | BOLT | 4035- | |
| 53 | DY00400-06000 | WASHER,SPRING | 4035- | |
| 54 | DY00416-06000 | WASHER | 4035- | |
| 55 | DY00121-12035 | BOLT | 4035- | |
| 56 | DY00425-12000 | WASHER,SPRING | 4035- | |
| 57 | DY81713-32003 | COVER,FAN | 4035- | |
| 58 | DY06050-00012 | RUBBER,SUSPENSION | 4035- | |
| 59 | DY00300-20000 | NUT | 4035- | |
| 60 | DY00400-20000 | WASHER,SPRING | 4035- |
