
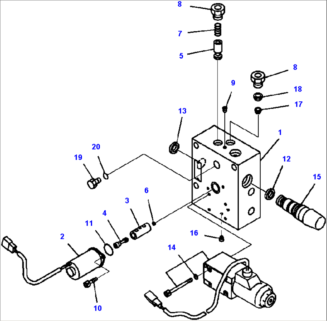
| Item | Part No. | Part Name | Qty | Serial No. |
| 56B-43-12402 | VALVE ASSEMBLY | A11001-- | ||
| 1 | UCR971019811 | BODY | A11001-- | |
| 2 | UC1100676511 | SOLENOID | A11001-- | |
| 3 | (NSS) | BARREL | A11001-- | |
| 4 | UC1100351533 | SPOOL | A11001-- | |
| 5 | UC1100170884 | PLUNGER | A11001-- | |
| 6 | UC1100343651 | SPRING | A11001-- | |
| 7 | UC1100170903 | SPRING | A11001-- | |
| 8 | UC4100104435 | PLUG ASSEMBLY | A11001-- | |
| 9 | (NSS) | PLUG | A11001-- | |
| 10 | UC1301514005 | BOLT | A11001-- | |
| 11 | UC1300049005 | O-RING | A11001-- | |
| 12 | UCR971019821 | ELEMENT | A11001-- | |
| 13 | UC1100651035 | ELEMENT | A11001-- | |
| 14 | (NSS) | VALVE | A11001-- | |
| 15 | UCJ2310A0716-0 | VALVE | A11001-- | |
| 16 | 20T-60-72221 | PLUG | A11001-- | |
| 17 | UCR971009471 | ELEMENT | A11001-- | |
| 18 | UC1100437729 | RETAINER | A11001-- | |
| 19 | PLUG (SEE FIG. H0110-04A0 ) | A11001-- | ||
| 20 | O-RING (SEE FIG. H0110-04A0 ) | A11001-- |
