
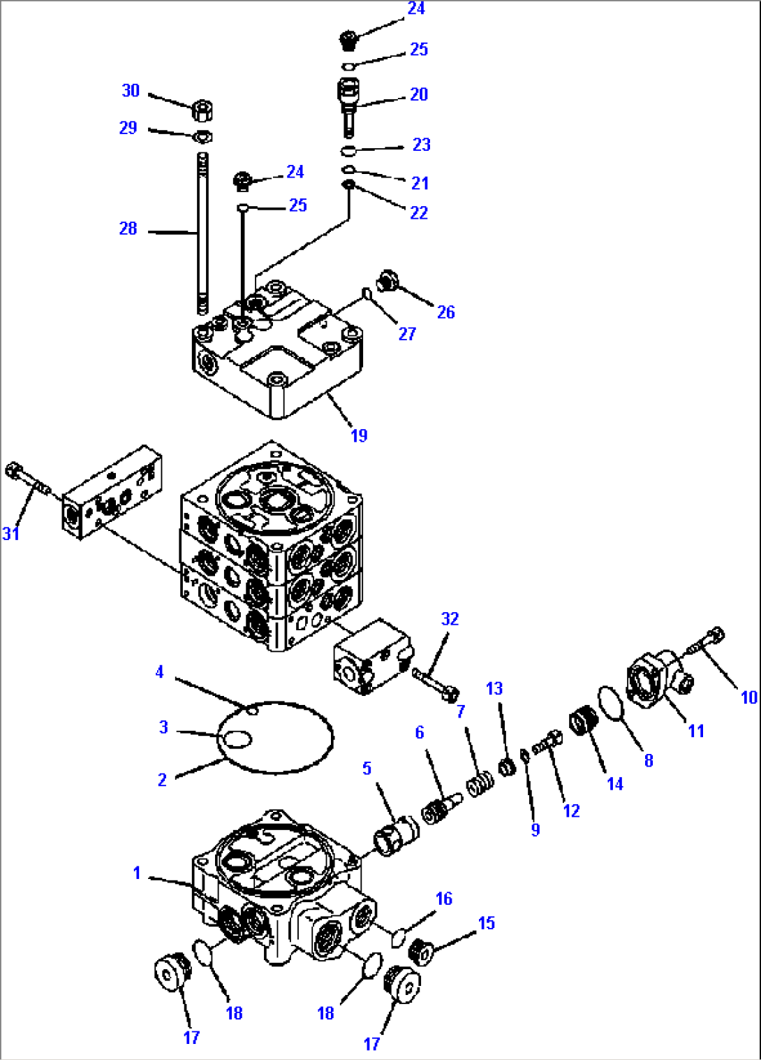
| Item | Part No. | Part Name | Qty | Serial No. |
| VALVE, CONTROL (SEE FIG. H0120-01A0) | A53001-- | |||
| (NSS) | BLOCK GROUP | A53001-- | ||
| 1 | (NSS) | BLOCK | A53001-- | |
| 2 | 144-14-54610 | O-RING | A53001-- | |
| 3 | 723-56-31730 | O-RING | A53001-- | |
| 4 | 07000-11010 | O-RING | A53001-- | |
| 5 | (NSS) | SLEEVE | A53001-- | |
| 6 | (NSS) | PISTON | A53001-- | |
| 7 | 723-56-33830 | SPRING | A53001-- | |
| 8 | 07000-13042 | O-RING | A53001-- | |
| 9 | 01643-30623 | WASHER | A53001-- | |
| 10 | 01252-60820 | BOLT | A53001-- | |
| 11 | (NSS) | CASE | A53001-- | |
| 12 | 01252-60612 | BOLT | A53001-- | |
| 13 | 723-56-32970 | RETAINER | A53001-- | |
| 14 | (NSS) | PISTON | A53001-- | |
| 15 | 723-56-41880 | PLUG | A53001-- | |
| 16 | 07002-12434 | O-RING | A53001-- | |
| 17 | 07040-13316 | PLUG | A53001-- | |
| 18 | 07002-13334 | O-RING | A53001-- | |
| (NSS) | COVER GROUP | A53001-- | ||
| 19 | 723-56-11270 | COVER | A53001-- | |
| 20 | 723-50-11311 | PLUG | A53001-- | |
| 21 | 07000-11004 | O-RING | A53001-- | |
| 22 | 07001-01004 | RING | A53001-- | |
| 23 | 07002-11423 | O-RING | A53001-- | |
| 24 | 708-8E-16160 | PLUG | A53001-- | |
| 25 | 07002-11023 | O-RING | A53001-- | |
| 26 | 07040-11409 | PLUG | A53001-- | |
| 27 | 07002-11423 | O-RING | A53001-- | |
| 28 | 723-50-11130 | STUD | A53001-- | |
| 29 | 01643-31232 | WASHER | A53001-- | |
| 30 | 01580-11210 | NUT | A53001-- | |
| 31 | 01252-60840 | BOLT | A53001-- | |
| 32 | 01252-60860 | BOLT | A53001-- |
