
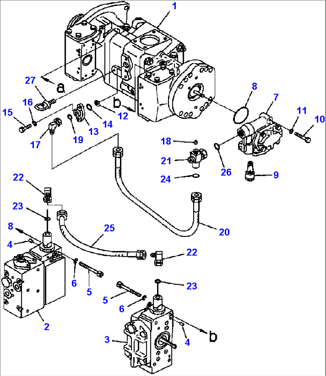
Item | Part No. | Part Name | Qty | Serial No. |
708-2L-00950 | PUMP ASSEMBLY | A50023-- | ||
1 | PUMP, SUBASSEMBLY (SEE FIG. H1600-02A1 ) | A50023-- | ||
2 | VALVE ASSEMBLY SERVO, FRONT (SEE FIG. H1600-07A0 ) | A50023-- | ||
A50023-- | ||||
3 | VALVE ASSEMBLY SERVO, REAR (SEE FIG. H1600-10A0 ) | A50023-- | ||
4 | 04020-00616 | PIN, DOWEL | A50023-- | |
5 | 708-25-19130 | BOLT | A50023-- | |
6 | 01602-00825 | WASHER, SPRING | A50023-- | |
7 | PUMP ASSEMBLY (SEE FIG. H1600-05A0 ) | A50023-- | ||
8 | 708-25-19180 | O-RING | A50023-- | |
9 | VALVE ASSEMBLY, RELIEF (SEE FIG. H1600-06A0 ) | A50023-- | ||
A50023-- | ||||
10 | 01010-80820 | BOLT | A50023-- | |
11 | 01643-50823 | WASHER | A50023-- | |
12 | 720-68-15240 | FILTER | A50023-- | |
13 | 708-25-19120 | FLANGE | A50023-- | |
14 | 07000-E2021 | O-RING | A50023-- | |
15 | 01010-80820 | BOLT | A50023-- | |
16 | 01602-50823 | WASHER, SPRING | A50023-- | |
17 | 07232-10422 | ELBOW | A50023-- | |
18 | 07222-00414 | PLUG | A50023-- | |
19 | 07002-32034 | O-RING | A50023-- | |
20 | 07102-20405 | HOSE | A50023-- | |
21 | 07235-50425 | ELBOW | A50023-- | |
22 | 07235-10210 | ELBOW | A50023-- | |
23 | 07002-21423 | O-RING | A50023-- | |
24 | 07002-32034 | O-RING | A50023-- | |
25 | 07102-20203 | HOSE | A50023-- | |
26 | 07002-22434 | O-RING | A50023-- | |
27 | 04530-01018 | BOLT, EYE | A50023-- |