
| Item | Part No. | Part Name | Qty | Serial No. |
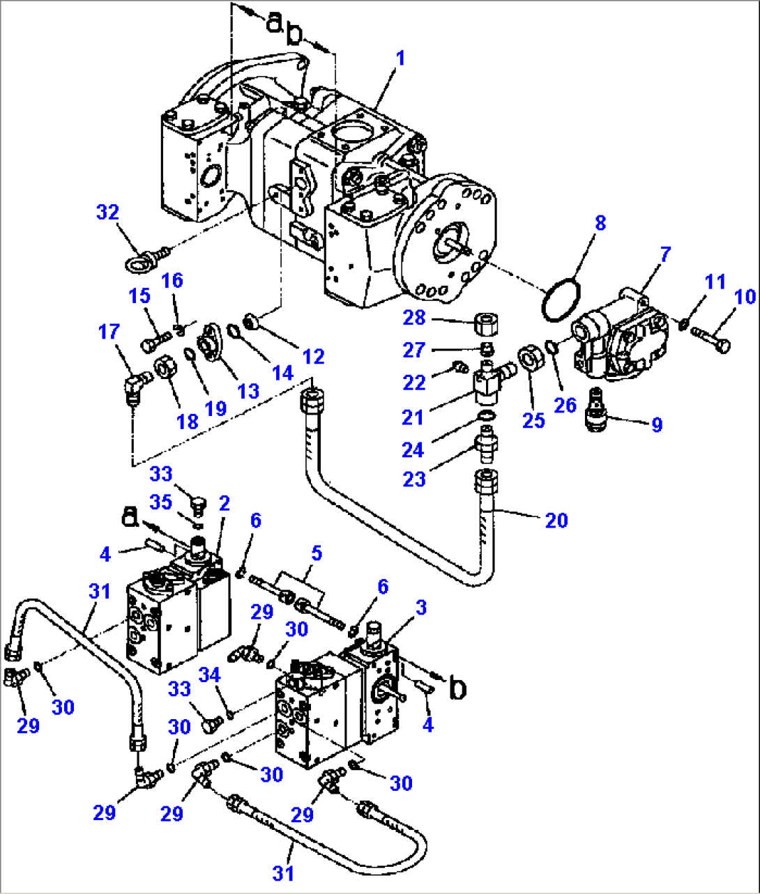
| 708-25-03190 | PUMP ASSEMBLY | A50001-A50022- | ||
| 1 | PUMP SUBASSEMBLY (SEE FIG. H1602-07A0 ) | A50001-A50022- | ||
| 2 | VALVE ASSEMBLY SERVO, FRONT (SEE FIG. H1602-07A0 ) | A50001-A50022- | ||
| 3 | VALVE ASSEMBLY SERVO, REAR (SEE FIG. H1602-10A0 ) | A50001-A50022- | ||
| 4 | ||||
| 4 | 04020-00616 | PIN, DOWEL | A50001-A50022- | |
| 5 | 708-25-19130 | BOLT | A50001-A50022- | |
| 6 | 01602-00825 | WASHER, SPRING | A50001-A50022- | |
| 7 | PUMP ASSEMBLY (SEE FIG. H1602-05A0 ) | A50001-A50022- | ||
| 8 | 708-25-19180 | O-RING | A50001-A50022- | |
| 9 | VALVE ASSEMBLY, RELIEF (SEE FIG. H1602-06A0 ) | A50001-A50022- | ||
| 9 | ||||
| 10 | 01010-81260 | BOLT | A50001-A50022- | |
| 11 | 01643-31232 | WASHER | A50001-A50022- | |
| 12 | 720-68-15240 | FILTER | A50001-A50022- | |
| 13 | 708-25-19120 | FLANGE | A50001-A50022- | |
| 14 | 07000-32021 | O-RING | A50001-A50022- | |
| 15 | 01010-80820 | BOLT | A50001-A50022- | |
| 16 | 01602-20825 | WASHER, SPRING | A50001-A50022- | |
| 17 | 07232-30422 | ELBOW | A50001-A50022- | |
| 18 | 07239-12009 | NUT | A50001-A50022- | |
| 19 | 07002-32034 | O-RING | A50001-A50022- | |
| 20 | 07102-20405 | HOSE | A50001-A50022- | |
| 21 | 708-25-29120 | JOINT | A50001-A50022- | |
| 22 | 07042-20108 | PLUG | A50001-A50022- | |
| 23 | 07230-20422 | UNION | A50001-A50022- | |
| 24 | 07002-32034 | O-RING | A50001-A50022- | |
| 25 | 07239-12410 | NUT | A50001-A50022- | |
| 26 | 07002-32434 | O-RING | A50001-A50022- | |
| 27 | 07222-00414 | PLUG | A50001-A50022- | |
| 28 | 07221-20422 | NUT | A50001-A50022- | |
| 29 | 07235-10210 | ELBOW | A50001-A50022- | |
| 30 | 07002-21423 | O-RING | A50001-A50022- | |
| 31 | 07102-20203 | HOSE | A50001-A50022- | |
| 32 | 04530-01018 | BOLT, EYE | A50001-A50022- | |
| 33 | 07040-11409 | PLUG | A50001-A50022- | |
| 34 | 07002-21423 | O-RING | A50001-A50022- | |
| 35 | 07002-31423 | O-RING | A50001-A50022- |
