
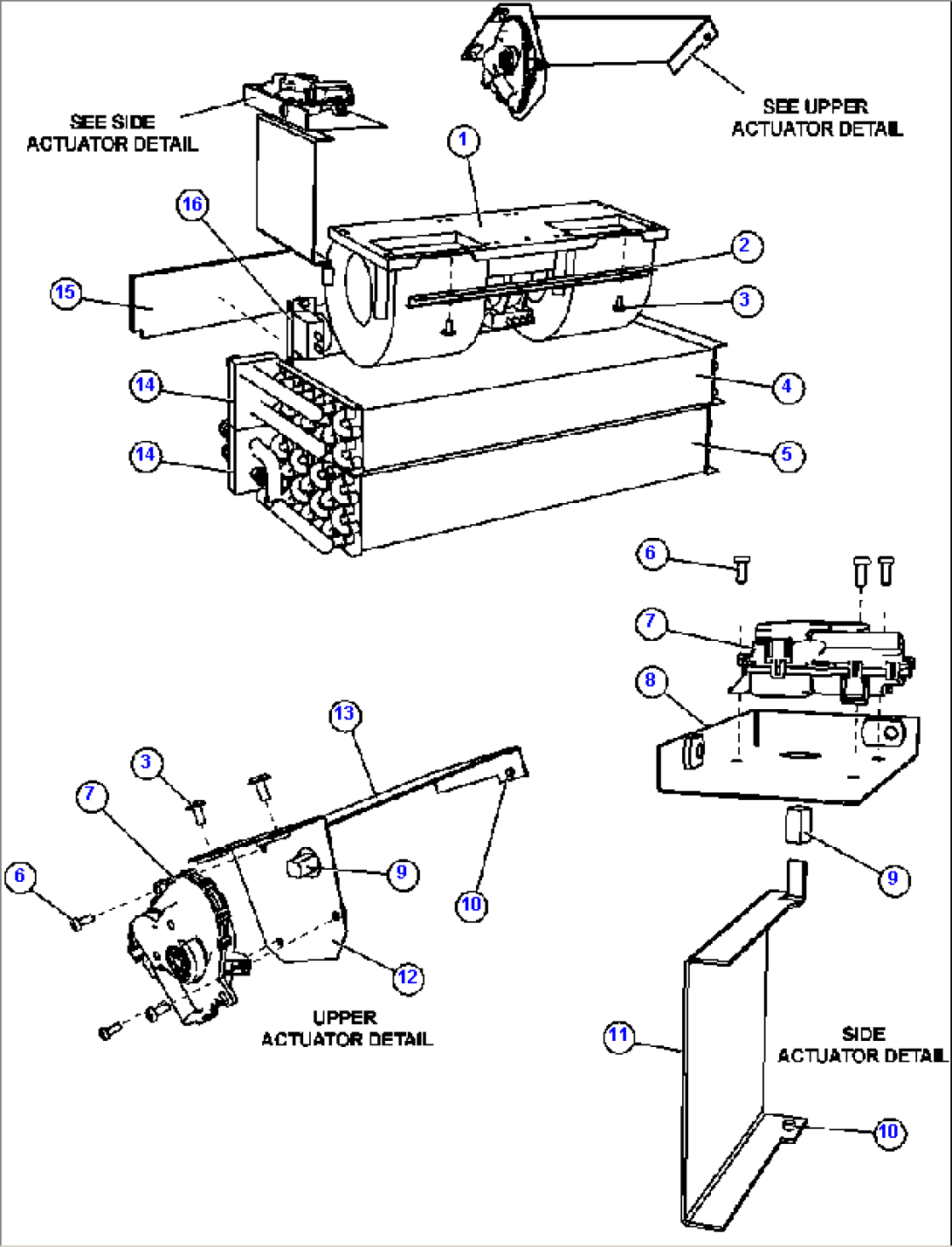
| Item | Part No. | Part Name | Qty | Serial No. |
| 1 | EM0053 | BLOWER ASSEMBLY | ||
| 2 | EM0094 | BLOWER RETAINER | ||
| 3 | EM0067 | SCREW | ||
| 4 | EM0052 | HEATER CORE | ||
| 5 | EM0051 | EVAPORATOR CORE | ||
| 6 | EM0083 | SCREW | ||
| 7 | EM0060 | ACTUATOR | ||
| 8 | EM0075 | BRACKET | ||
| 9 | EM0089 | DRIVE ADAPTER | ||
| 10 | EM0086 | PIVOT BUSHING | ||
| 11 | EM0091 | DAMPER DOOR (SIDE) | ||
| 12 | EM0073 | BRACKET | ||
| 13 | EM0090 | DAMPER DOOR (UP) | ||
| 14 | EM0072 | FOAM | ||
| 15 | EM0071 | FOAM | ||
| 16 | EM0062 | THERMOSTAT |
