
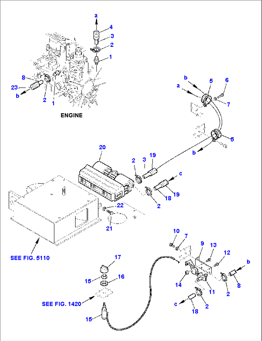
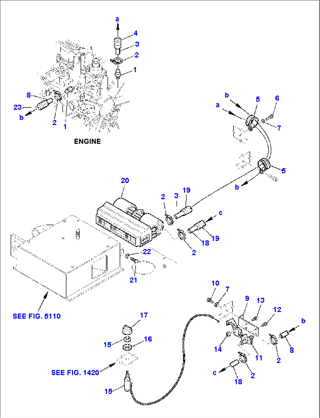
| Item | Part No. | Part Name | Qty | Serial No. |
| 1 | 226-977-1110 | UNION | 2265000306- | |
| 2 | 21D-09-81120 | HOSE-CLAMP | 2265000306- | |
| 3 | 226-977-1120 | HOSE | 2265000306- | |
| 4 | 21D-977-1250 | PROTECTION | 2265000306- | |
| 5 | 21D-09-81620 | HOSE-CLAMP | 2265000306- | |
| 6 | 01010-51016 | BOLT | 2265000306- | |
| 7 | 01643-31032 | WASHER | 2265000306- | |
| 8 | 226-977-1130 | HOSE | 2265000306- | |
| 9 | 226-977-1140 | SUPPORT | 2265000306- | |
| 10 | 01010-51020 | BOLT | 2265000306- | |
| 11 | 226-977-1150 | COCK | 2265000306- | |
| 12 | 21D-09-16410 | SCREW | 2265000306- | |
| 13 | 21D-09-15720 | SCREW | 2265000306- | |
| 14 | 21D-09-23130 | NUT | 2265000306- | |
| 15 | 226-977-1160 | HEATING, CONTROL CABLE | 2265000306- | |
| 16 | 226-977-1170 | PLATE | 2265000306- | |
| 17 | 226-977-1180 | KNOB | 2265000306- | |
| 18 | 226-977-1190 | HOSE | 2265000306- | |
| 19 | 21D-04-11440 | PROTECTION | 2265000306- | |
| 20 | 22E-977-1111 | HEATER | 2265000306- | |
| 21 | 01010-50616 | BOLT | 2265000306- | |
| 22 | 01643-30623 | WASHER | 2265000306- | |
| 23 | 21D-977-1251 | PROTECTION | 2265000306- | |
| SEE FIG. 1420 | ||||
| SEE FIG. 5110 |
