
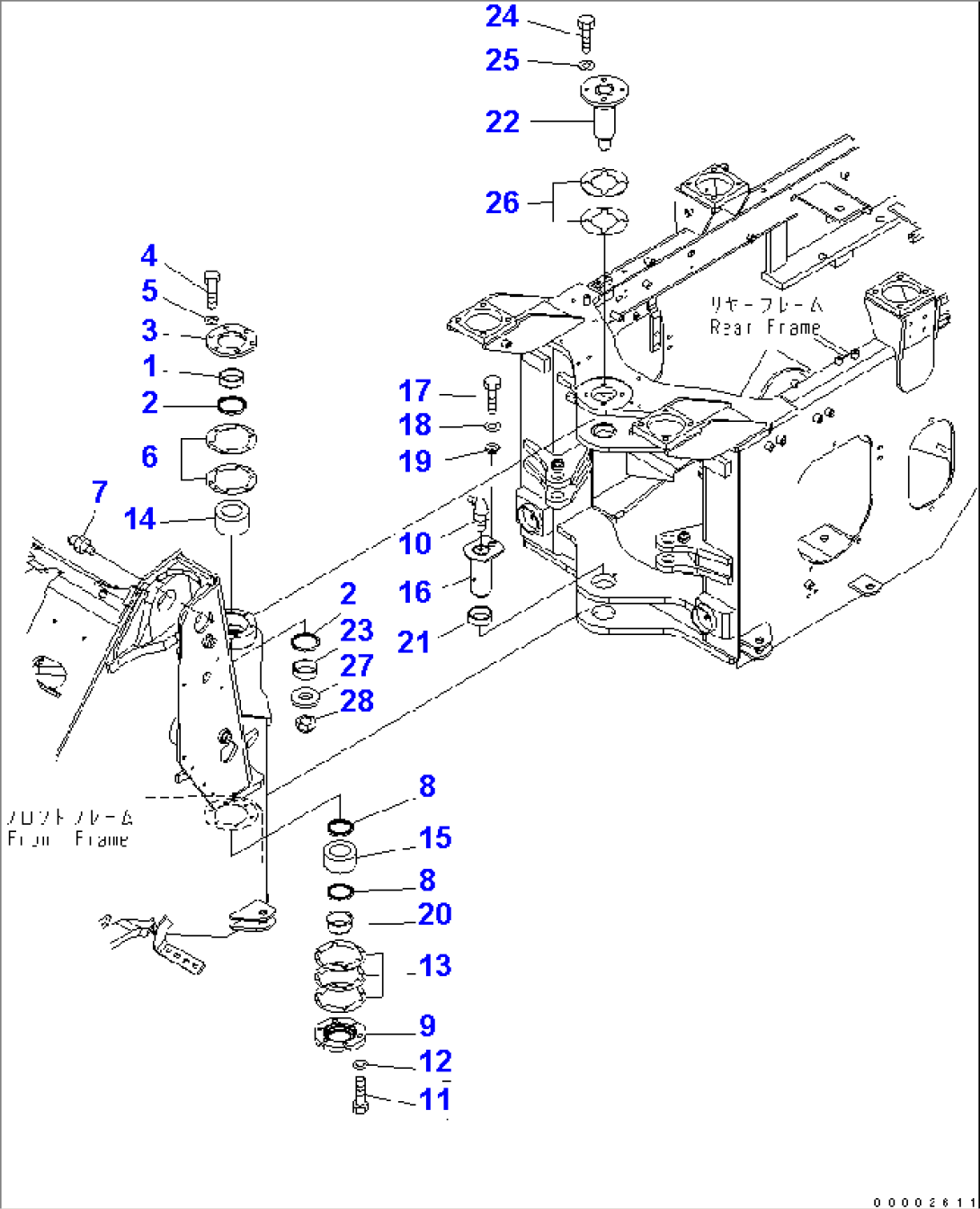
| Item | Part No. | Part Name | Qty | Serial No. |
| 1 | 418-46-11160 | SPACER | 75001- | |
| 2 | 419-09-11110 | SEAL,DUST | 75001- | |
| 3 | 418-46-11180 | RETAINER | 75001- | |
| 4 | 01010-81030 | BOLT | 75001- | |
| 5 | 01643-31032 | WASHER | 75001- | |
| 6 | 418-46-11320 | SHIM, 0.1MM | 75001- | |
| 6 | 418-46-11210 | SHIM, 0.2MM | 75001- | |
| 6 | 418-46-11220 | SHIM, 0.5MM | 75001- | |
| 7 | 07020-00000 | FITTING | 75001- | |
| 8 | 417-09-11120 | SEAL,DUST | 75001- | |
| 9 | 418-46-13330 | RETAINER | 75001- | |
| 10 | 07020-00900 | FITTING | 75001- | |
| 11 | 01010-81025 | BOLT | 75001- | |
| 12 | 01643-31032 | WASHER | 75001- | |
| 13 | 418-46-11320 | SHIM, 0.1MM | 75001- | |
| 13 | 418-46-11210 | SHIM, 0.2MM | 75001- | |
| 13 | 418-46-11220 | SHIM, 0.5MM | 75001- | |
| 14 | 418-46-11150 | BEARING | 75001- | |
| 15 | 418-46-13320 | BEARING | 75001- | |
| 16 | 418-46-13310 | SHAFT | 75001- | |
| 17 | 01010-81235 | BOLT | 75001- | |
| 18 | 01643-31232 | WASHER | 75001- | |
| 19 | 424-46-11130 | BUSHING | 75001- | |
| 20 | 418-46-22210 | BUSHING | 75001- | |
| 21 | 418-46-22220 | BUSHING | 75001- | |
| 22 | 418-46-11141 | SHAFT | 75001- | |
| 23 | 418-46-11160 | SPACER | 75001- | |
| 24 | 01010-81235 | BOLT | 75001- | |
| 25 | 01643-31232 | WASHER | 75001- | |
| 26 | 418-46-11240 | SHIM, 0.1MM | 75001- | |
| 26 | 418-46-11250 | SHIM, 0.2MM | 75001- | |
| 26 | 418-46-11260 | SHIM, 0.5MM | 75001- | |
| 26 | 418-46-11270 | SHIM, 1.0MM | 75001- | |
| 27 | 418-46-11280 | WASHER | 75001- | |
| 28 | 01597-03629 | NUT | 75001- |
