
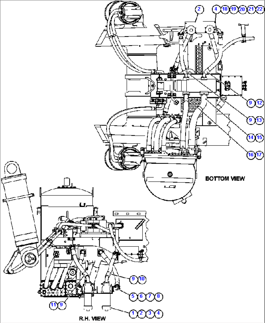
| Item | Part No. | Part Name | Qty | Serial No. |
| 1 | EH1241 | HYDRAULIC FILTER, HOIST / BRAKE COOLING (SEE INDEX) | ||
| 2 | EL8980 | PLATE | ||
| 3 | VN6454 | CAPSCREW - 1/2" - 13NC X 1" | ||
| 4 | TR6008 | FLAT WASHER - 1/2" | ||
| 5 | PB8318 | ELBOW | ||
| 6 | TF3231 | CLAMP, SPLIT FLANGE | ||
| 7 | C1614 | CAPSCREW - 1/2" - 13NC X 1 1/2" | ||
| 8 | C1540 | LOCKWASHER - 1/2" | ||
| 9 | WA0187 | O-RING | ||
| 10 | HA6250 | HOSE | ||
| 11 | HA6250 | HOSE | ||
| 12 | HA8185 | HOSE | ||
| 13 | HA7730 | HOSE | ||
| 14 | WA0245 | O-RING | ||
| 15 | HA7707 | HOSE | ||
| 16 | WA0237 | O-RING | ||
| 17 | HA7387 | HOSE | ||
| 18 | PC2057 | WASHER, HEAD | ||
| 19 | PC2058 | WASHER, TAIL | ||
| 20 | TR6643 | NUT - 1/2" - 13NC | ||
| 21 | WA0471 | CAPSCREW - 1/2" - 13NC X 2 1/4" | ||
| 22 | WA2586 | MOUNT, RUBBER |
