
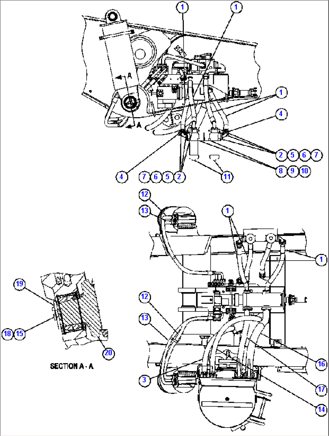
| Item | Part No. | Part Name | Qty | Serial No. |
| 1 | HA6250 | HOSE | ||
| 2 | WA0187 | O-RING | ||
| 3 | HA8028 | HOSE | ||
| 4 | PB8318 | ELBOW | ||
| 5 | TF3231 | CLAMP, SPLIT FLANGE | ||
| 6 | C1614 | CAPSCREW - 1/2" - 13NC X 1 1/2" | ||
| 7 | C1540 | LOCKWASHER - 1/2" | ||
| 8 | WA0360 | FLAT WASHER - 1/2" (HARDENED) | ||
| 9 | TL5327 | CAPSCREW - 1/2" - 13NC X 1 1/2" | ||
| 10 | EH1551 | PAD, RUBBER | ||
| 11 | EH1241 | FILTER ASSEMBLY (HOIST/BRAKE COOLING) (SEE INDEX) | ||
| 12 | HA6330 | HOSE | ||
| 13 | HA6340 | HOSE | ||
| 14 | HA8029 | HOSE | ||
| 15 | C7645 | CAPSCREW - 3/4" - 10NC X 1 1/2" | ||
| 16 | TY8365 | HOSE | ||
| 17 | TY8367 | HOSE | ||
| 18 | TX3664 | PLATE, LOCKING | ||
| 19 | VA4707 | PLATE, RETAINING | ||
| 20 | VA5501 | SPACER, BEARING |
