
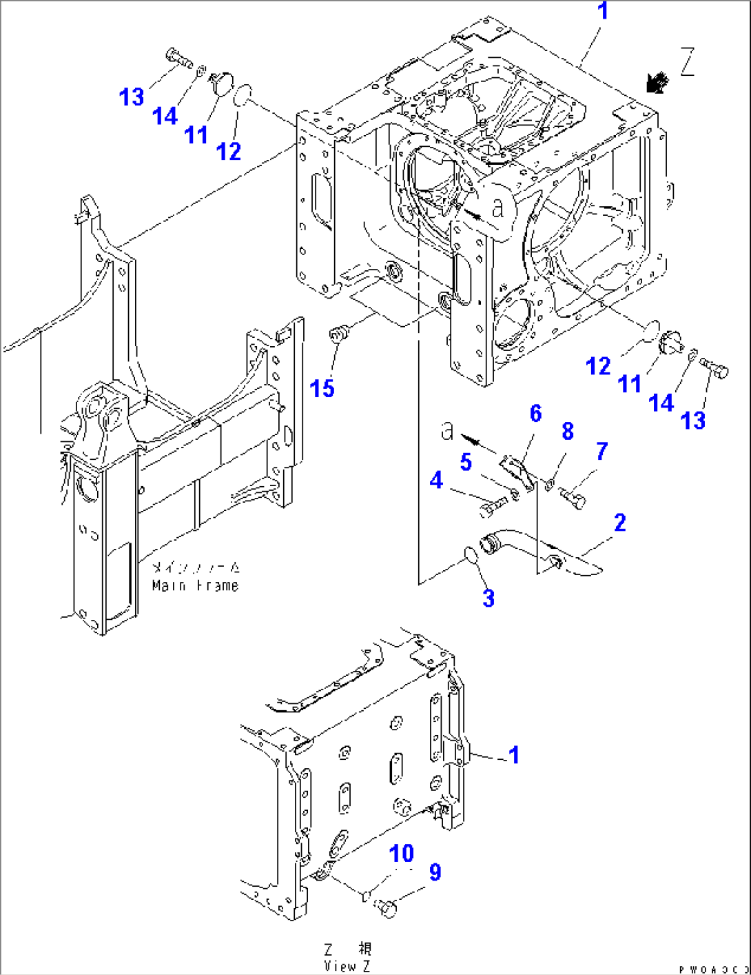
| Item | Part No. | Part Name | Qty | Serial No. |
| 1 | 134-22-65114 | CASE | 1164- | |
| 134-22-65112 | CASE | 1001-1163 | ||
| 2 | 134-49-61111 | TUBE | 1001- | |
| 3 | 07000-72065 | O-RING | 1001- | |
| 4 | 01010-81225 | BOLT | 1001- | |
| 5 | 01643-31232 | WASHER | 1001- | |
| 6 | 134-49-61121 | BRACKET | 1001- | |
| 7 | 01010-81225 | BOLT | 1001- | |
| 8 | 01643-31232 | WASHER | 1001- | |
| 9 | 6150-23-5620 | PLUG | 1001- | |
| 10 | 07002-23634 | O-RING | 1001- | |
| 11 | 134-22-65130 | PLUG | 1001- | |
| 12 | 07000-72090 | O-RING | 1001- | |
| 13 | 01010-81225 | BOLT | 1001- | |
| 14 | 01643-31232 | WASHER | 1001- | |
| 15 | 07043-72026 | PLUG | 1001- |
