
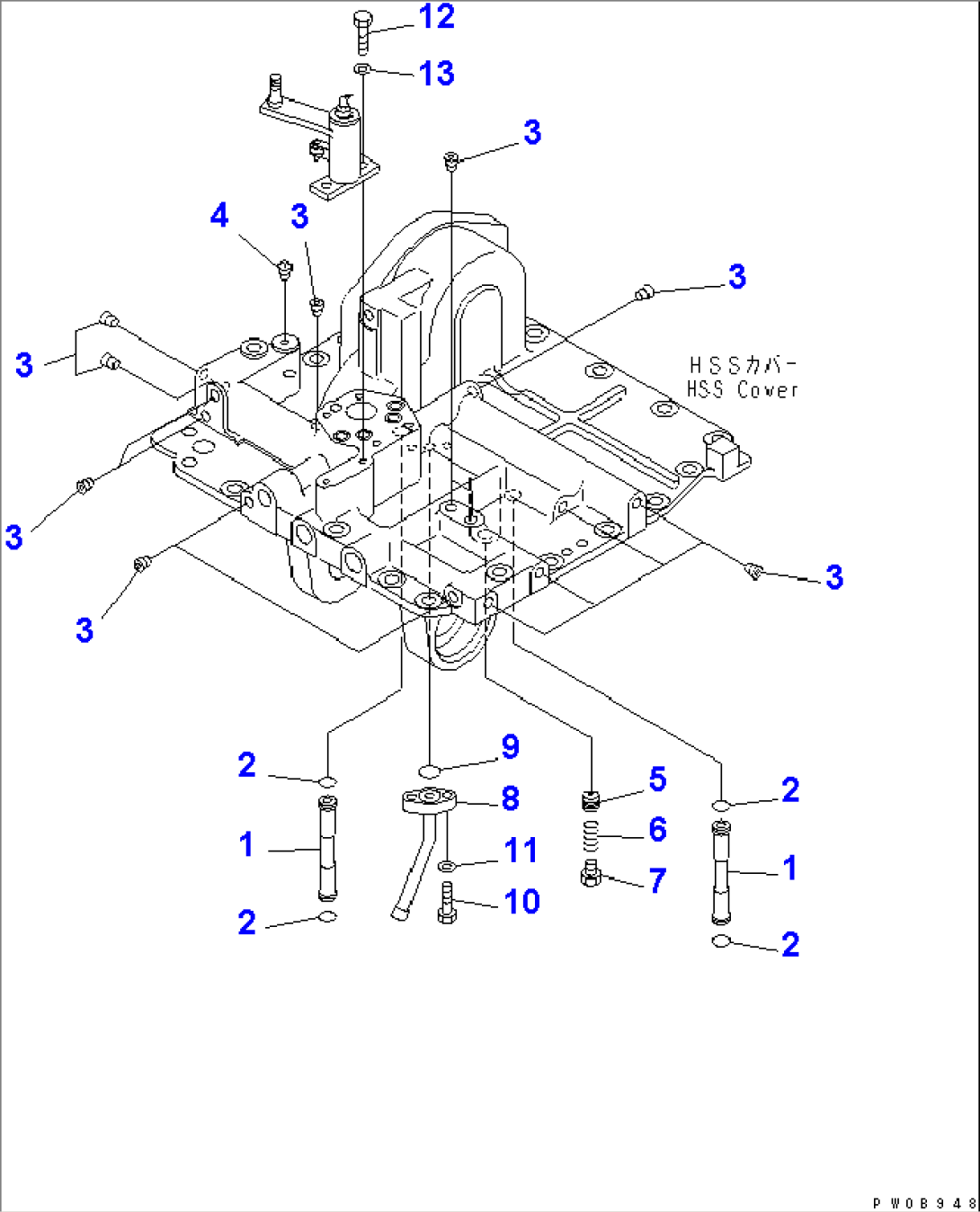
| Item | Part No. | Part Name | Qty | Serial No. |
| (14Y-22-31001) | STEERING ASS'Y | 67843- | ||
| (14Y-22-31000) | STEERING ASS'Y | 67001-67842 | ||
| THIS ASSEMBLY CONSISTS OF ALL PARTS SHOWN IN FIGS.F2300-51A0 TO F2300-60A0. | ||||
| 1 | 14Y-22-26180 | TUBE | 67001- | |
| 2 | 07000-72018 | O-RING | 67001- | |
| 3 | 07043-70312 | PLUG | 67001- | |
| 4 | 07042-80108 | PLUG | 67001- | |
| 5 | 23A-15-15490 | VALVE | 67001- | |
| 6 | 702-16-52420 | SPRING | 67001- | |
| 7 | 07040-12012 | PLUG | 67001- | |
| 8 | 14Y-22-26240 | TUBE | 67001- | |
| 9 | 07000-73022 | O-RING | 67001- | |
| 10 | 01010-81035 | BOLT | 67001- | |
| 11 | 01643-31032 | WASHER | 67001- | |
| 12 | 01010-81025 | BOLT | 67001- | |
| 13 | 01643-31032 | WASHER | 67001- |
