
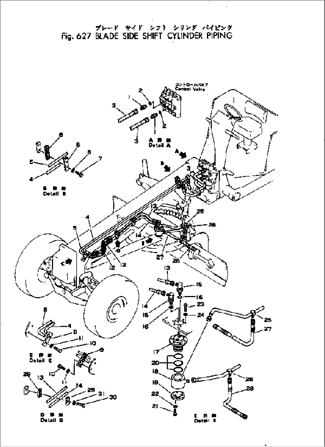
| Item | Part No. | Part Name | Qty | Serial No. |
| 1 | 237-60-14110 | NIPPLE | 1002- | |
| 2 | 07002-12034 | O-RING (KIT) | 1002- | |
| 3 | 07113-00312 | HOSE | 1002- | |
| 4 | 237-60-14410 | TUBE | 1002- | |
| 5 | 237-60-14420 | TUBE | 1002- | |
| 6 | 237-60-14120 | CLIP | 1002- | |
| 7 | 01010-31050 | BOLT | 1002- | |
| 8 | 01602-01030 | WASHER,SPRING | 1002- | |
| 9 | 237-60-14160 | CLIP | 1002- | |
| 10 | 01010-31035 | BOLT | 1002- | |
| 11 | 01602-01030 | WASHER,SPRING | 1002- | |
| 12 | 07109-20307 | HOSE | 1002- | |
| 13 | 237-60-14430 | TUBE | 1002- | |
| 14 | 237-60-14440 | TUBE | 1002- | |
| 15 | 232-60-14281 | ELBOW | 1002- | |
| 16 | 07002-12434 | O-RING (KIT) | 1002- | |
| 17 | 232-60-14614 | FLANGE | 1002- | |
| 18 | 232-60-14622 | BODY | 1002- | |
| 19 | 232-60-14633 | FLANGE | 1002- | |
| 20 | 07000-15075 | O-RING (KIT) | 1002- | |
| 21 | 01010-31030 | BOLT | 1002- | |
| 22 | 01602-01030 | WASHER,SPRING | 1002- | |
| 23 | 01010-31235 | BOLT | 1002- | |
| 24 | 01602-01236 | WASHER,SPRING | 1002- | |
| 25 | 237-60-14450 | TUBE | 1002- | |
| 26 | 237-60-14460 | TUBE | 1002- | |
| 27 | 07108-20307 | HOSE | 1604- | |
| 07109-20307 | HOSE | 1002-1603 | ||
| 28 | 07108-20305 | HOSE | 1604- | |
| 07109-20305 | HOSE | 1002-1603 | ||
| 29 | 232-60-14932 | CLIP | 1002- | |
| 30 | 01010-31045 | BOLT | 1002- | |
| 31 | 01602-01030 | WASHER,SPRING | 1002- |
