
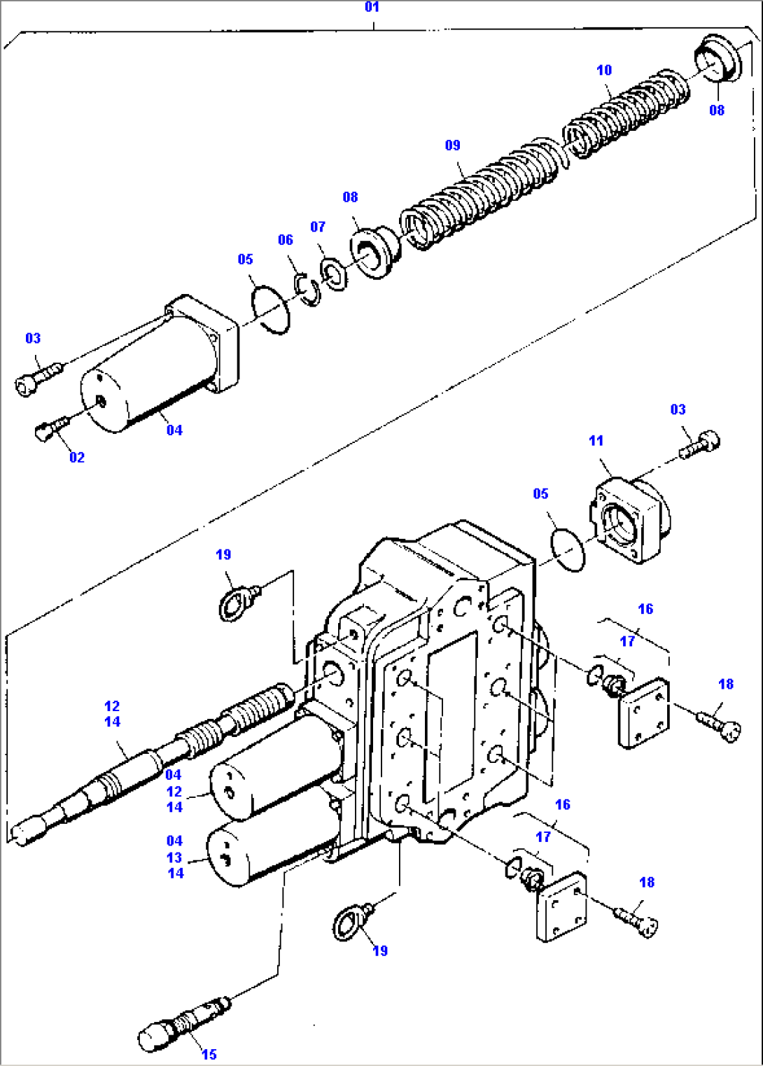
| Item | Part No. | Part Name | Qty | Serial No. |
| 01 | 515 137 40 | Control block | ||
| 02 | 168 432 40 | Vent screw | ||
| 03 | 319 259 99 | Bolt | ||
| 04 | 771 852 73 | Cover | ||
| 05 | 972 199 | O-ring | ||
| 06 | 343 845 99 | Snap ring | ||
| 07 | 771 853 73 | Ring | ||
| 08 | 771 854 73 | Spring plate | ||
| 09 | 771 855 73 | Spring | ||
| 10 | 771 856 73 | Spring | ||
| 11 | 771 857 73 | Cover | ||
| 12 | 757 393 73 | Piston assy. For replacement state s/no. of block | ||
| 13 | 757 394 73 | Piston assy. For replacement state s/no. of block | ||
| 14 | 994 484 | Seal kit for piston axle | ||
| 15 | Pressure relief valve | |||
| 16 | 994 410 | Plate | ||
| 17 | 994 376 | Seal kit to fig-no.: 16 | ||
| 18 | 319 255 99 | Bolt | ||
| 19 | 313 503 99 | Eye bolt |
