
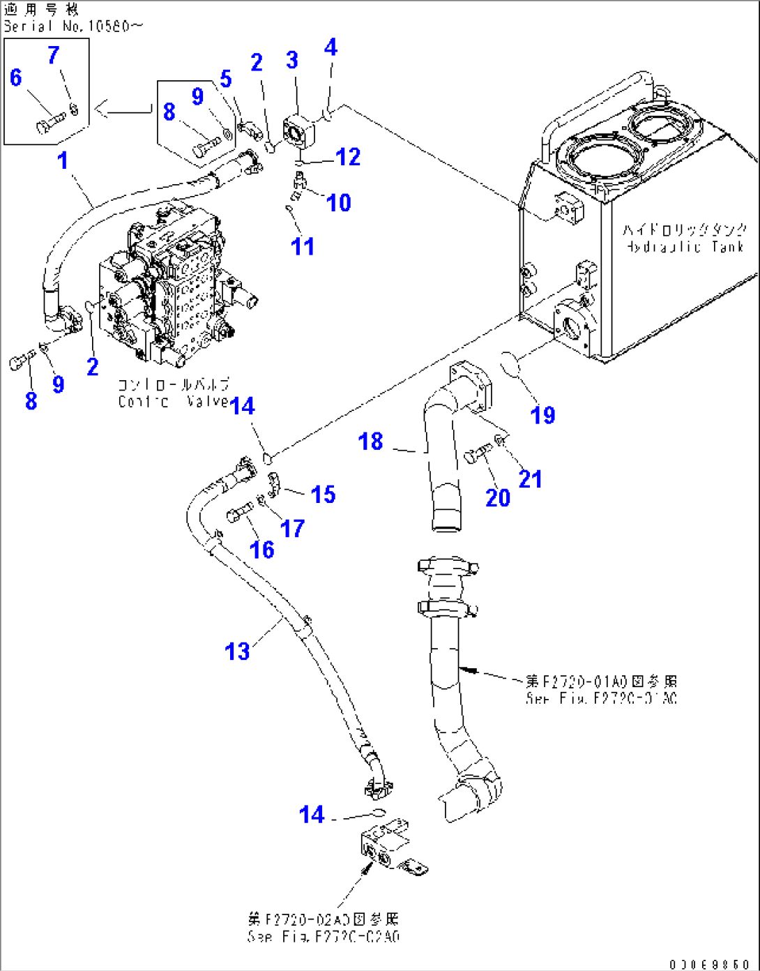
| Item | Part No. | Part Name | Qty | Serial No. |
| 1 | 07298-012A9 | HOSE | 10001- | |
| 2 | 07000-13038 | O-RING | 10001- | |
| 3 | 154-61-78490 | BLOCK | 10580- | |
| 4 | 07000-13040 | O-RING | 10580- | |
| 5 | 07371-31255 | FLANGE,SPLIT | 10001- | |
| 6 | 195-78-63210 | BOLT | 10580- | |
| 7 | 01643-51032 | WASHER | 10580- | |
| 8 | 07372-21035 | BOLT | 10580- | |
| 8 | 07372-21035 | BOLT | 10001-10579 | |
| 9 | 01643-51032 | WASHER | 10580- | |
| 9 | 01643-51032 | WASHER | 10001-10579 | |
| 10 | 02783-10422 | ELBOW | 10580- | |
| 11 | 02896-11012 | O-RING | 10580- | |
| 12 | 07002-12034 | O-RING | 10580- | |
| 13 | 07298-01014 | HOSE | 10001- | |
| 14 | 07000-13032 | O-RING | 10001- | |
| 15 | 07371-31049 | FLANGE,SPLIT | 10001- | |
| 16 | 07372-21035 | BOLT | 10001- | |
| 17 | 01643-51032 | WASHER | 10001- | |
| 18 | 154-60-72151 | TUBE | 10001- | |
| 19 | 07000-12085 | O-RING | 10001- | |
| 20 | 01010-81245 | BOLT | 10001- | |
| 21 | 01643-31232 | WASHER | 10001- |
