
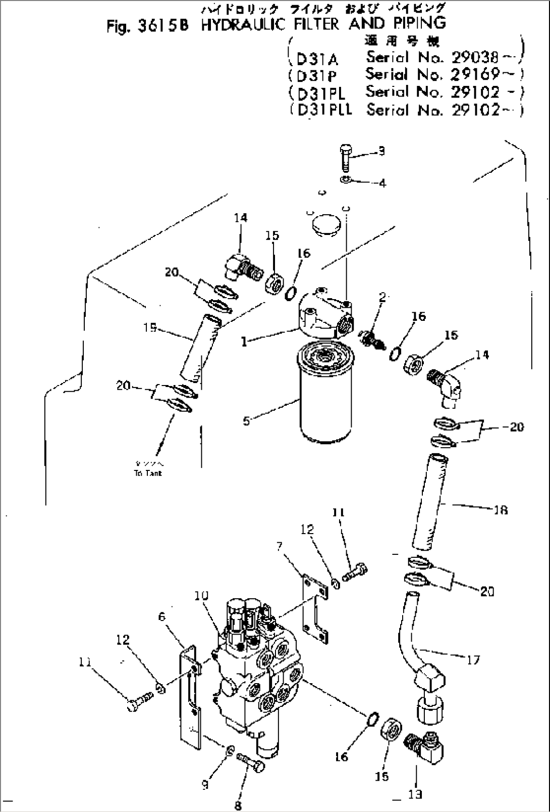
| Item | Part No. | Part Name | Qty | Serial No. |
| 1 | 113-60-23151 | BASE | 25003- | |
| 2 | 113-60-23180 | VALVE | 25001- | |
| 3 | 01010-31025 | BOLT | 25001- | |
| 4 | 01602-01030 | WASHER | 25001- | |
| 5 | 113-60-23160 | CARTRIDGE | 25001- | |
| 6 | 113-60-22130 | PLATE | 28001- | |
| 7 | 113-60-22140 | PLATE | 28001- | |
| 8 | 01010-31020 | BOLT | 28001- | |
| 9 | 01602-01030 | WASHER | 28001- | |
| 10 | (700-82-12001) | VALVE ASS'Y | .- | |
| \0\700-82-12000 | VALVE ASS'Y | 25001-. | ||
| 11 | 01010-31020 | BOLT | 28001- | |
| 12 | 01602-01030 | WASHER | 28001- | |
| 13 | 113-60-23210 | ELBOW | 29102- | |
| 14 | 113-60-23110 | ELBOW | 25001- | |
| 15 | 113-60-23120 | NUT | 25001- | |
| 16 | 07002-03334 | O-RING | 25001- | |
| 17 | 113-60-23220 | TUBE | 29102- | |
| 18 | 201-62-21291 | HOSE | 29102- | |
| 19 | 113-60-23280 | HOSE | 29102- | |
| 20 | 07281-00489 | CLAMP | 29102- |
