
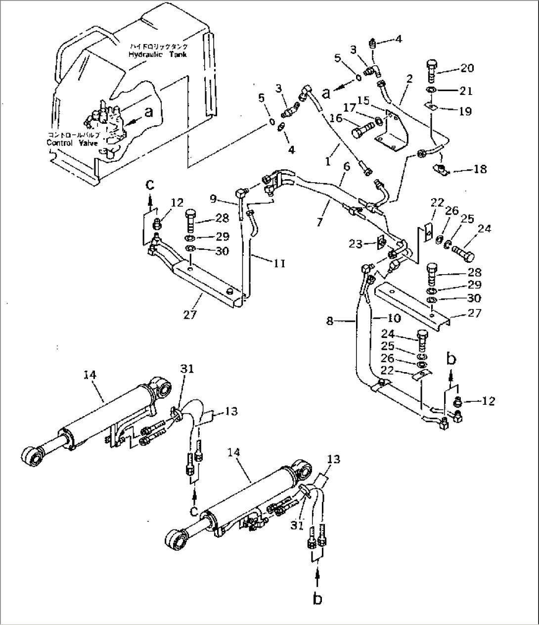
Item | Part No. | Part Name | Qty | Serial No. |
1 | 113-62-41320 | TUBE | 42001- | |
2 | 113-62-41310 | TUBE | 42001- | |
3 | 07235-50628 | ELBOW | 42001- | |
4 | 07042-20108 | PLUG | 42001- | |
5 | 07002-12434 | O-RING | 42001- | |
6 | 114-X16-2140 | TUBE | 42001- | |
7 | 114-X16-2130 | TUBE | 42001- | |
8 | 114-X16-2230 | TUBE,L.H. | 42001- | |
9 | 114-X16-2240 | TUBE,R.H. | 42001- | |
10 | 114-X16-2210 | TUBE,L.H. | 42001- | |
11 | 114-X16-2220 | TUBE,R.H. | 42001- | |
12 | 114-X16-2410 | NIPPLE | 42001- | |
13 | 07108-20407 | HOSE | 42001- | |
14 | (114-63-02071) | CYLINDER ASS'Y | 42001- | |
15 | 114-62-42150 | BRACKET | 42001- | |
16 | 01010-81025 | BOLT | 42001- | |
17 | 01643-31032 | WASHER | 42001- | |
18 | 124-Z46-2740 | PLATE | 42001- | |
19 | 113-62-41570 | PLATE | 42001- | |
20 | 01010-81230 | BOLT | 42001- | |
21 | 01643-31232 | WASHER | 42001- | |
22 | 175-914-4220 | CLAMP | 42001- | |
23 | 114-X16-2170 | PLATE | 42001- | |
24 | 01010-81025 | BOLT | 42001- | |
25 | 01602-21030 | WASHER,SPRING | 42001- | |
26 | 01643-31032 | WASHER | 42001- | |
27 | 114-X16-2250 | COVER | 42001- | |
28 | 01010-81025 | BOLT | 42001- | |
29 | 01602-21030 | WASHER,SPRING | 42001- | |
30 | 01643-31032 | WASHER | 42001- | |
31 | 08034-00823 | BAND | 42001- |