
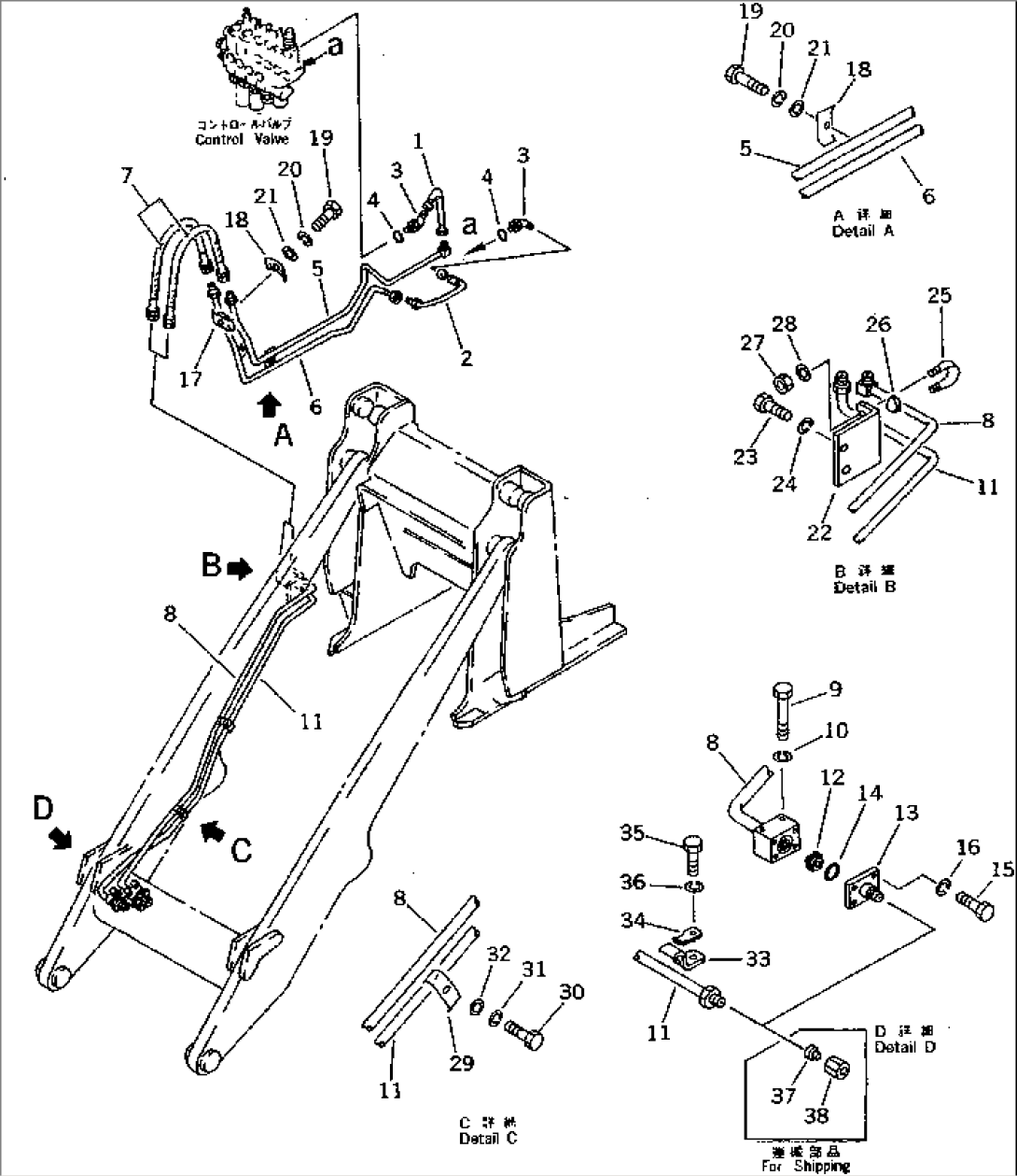
| Item | Part No. | Part Name | Qty | Serial No. |
| 1 | 113-62-44140 | TUBE | 40001- | |
| 2 | 113-62-44130 | TUBE | 40001- | |
| 3 | 114-62-25210 | ELBOW | 40001- | |
| 4 | 07002-12434 | O-RING | 40001- | |
| 5 | 113-62-44120 | TUBE | 40001- | |
| 6 | 113-62-44110 | TUBE | 40001- | |
| 7 | 07123-40307 | HOSE | 40001- | |
| 8 | 113-Y23-1280 | TUBE | 40001- | |
| 9 | 01010-51060 | BOLT | 40001- | |
| 10 | 01602-21030 | WASHER,SPRING | 40001- | |
| 11 | 113-Y23-1290 | TUBE | 40001- | |
| 12 | 111-923-6320 | VALVE | 40001- | |
| 13 | 113-Z23-1310 | FLANGE | 40001- | |
| 14 | 07000-13032 | O-RING | 40001- | |
| 15 | 01010-50825 | BOLT | 40001- | |
| 16 | 01602-20825 | WASHER,SPRING | 40001- | |
| 17 | 113-62-34140 | CLIP | 40001- | |
| 18 | T02-62-14610 | CLAMP | 40001- | |
| 19 | 01010-50820 | BOLT | 40001- | |
| 20 | 01602-20825 | WASHER,SPRING | 40001- | |
| 21 | 01643-30823 | WASHER | 40001- | |
| 22 | 113-Y23-1310 | BRACKET | 40001- | |
| 23 | 01010-51020 | BOLT | 40001- | |
| 24 | 01602-21030 | WASHER,SPRING | 40001- | |
| 25 | 07283-21529 | CLIP | 40001- | |
| 26 | 07283-51523 | SEAT | 40001- | |
| 27 | 01598-00809 | NUT | 40001- | |
| 28 | 01643-30823 | WASHER | 40001- | |
| 29 | T02-62-14610 | CLAMP | 40001- | |
| 30 | 01010-50820 | BOLT | 40001- | |
| 31 | 01602-20825 | WASHER,SPRING | 40001- | |
| 32 | 01643-30823 | WASHER | 40001- | |
| 33 | 113-Z23-1520 | CLAMP | 40001- | |
| 34 | 113-Z23-1530 | CLAMP | 40001- | |
| 35 | 01010-51030 | BOLT | 40001- | |
| 36 | 01602-21030 | WASHER,SPRING | 40001- | |
| 37 | 07222-00312 | PLUG,(FOR SHIPPING) | 40001- | |
| 38 | 07221-20315 | NUT,(FOR SHIPPING) | 40001- |
