
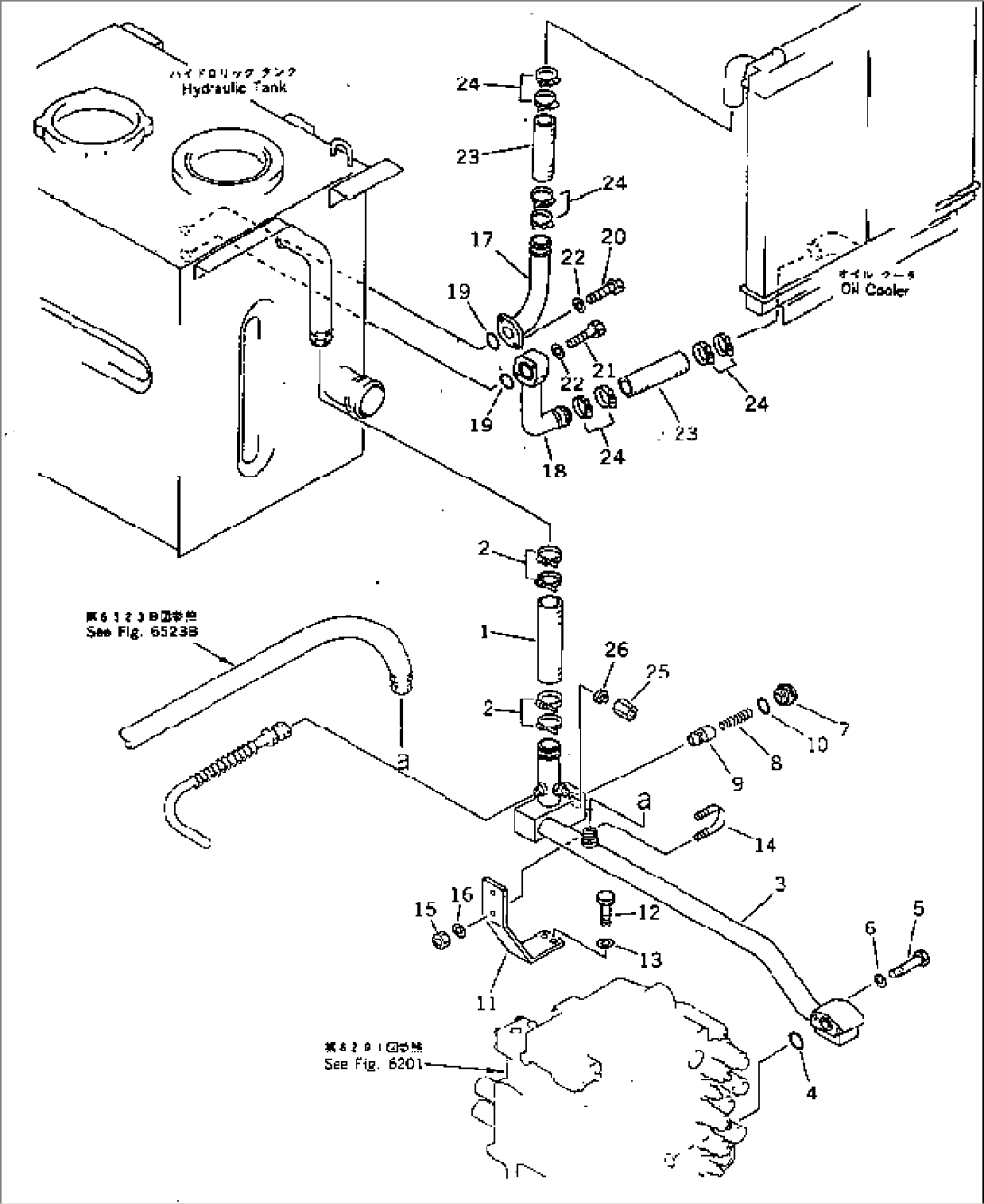
| Item | Part No. | Part Name | Qty | Serial No. |
| 1 | 205-62-68330 | HOSE | 20001-@ | |
| 2 | 208-09-11110 | CLAMP | 20001-@ | |
| 3 | 205-62-71277 | TUBE | 36208-@ | |
| 3 | \0\205-62-71276 | TUBE | 26574-36207 | |
| 4 | 07000-03035 | O-RING | 20001-@ | |
| 5 | 01010-51085 | BOLT | 20001-@ | |
| 6 | 01643-31032 | WASHER | 20001-@ | |
| 7 | 205-62-71971 | PLUG | 20001-@ | |
| 8 | 135-60-17110 | SPRING | 20001-@ | |
| 9 | 205-60-71230 | POPPET | 20001-@ | |
| 10 | 07002-05234 | O-RING | 20001-@ | |
| 11 | 205-62-71952 | BRACKET | 26574-@ | |
| 12 | 01010-51230 | BOLT | 20001-@ | |
| 13 | 01643-31232 | WASHER | 20001-@ | |
| 14 | 07283-24346 | CLIP | 20001-@ | |
| 15 | 01599-01011 | NUT | 20001-@ | |
| 16 | 01643-31032 | WASHER | 20001-@ | |
| 17 | 205-62-71913 | TUBE | 36208-@ | |
| 17 | \0\205-62-71912 | TUBE | 26574-36207 | |
| 18 | 205-62-71923 | TUBE | 36208-@ | |
| 18 | \0\205-62-71922 | TUBE | 26574-36207 | |
| 19 | 07000-02065 | O-RING | 26574-@ | |
| 20 | 01010-51035 | BOLT | 26574-@ | |
| 21 | 01010-51070 | BOLT | 26574-@ | |
| 22 | 01643-31032 | WASHER | 20001-@ | |
| 23 | 205-62-68330 | HOSE | 20001-@ | |
| 24 | 208-09-11110 | CLAMP | 20001-@ | |
| 25 | 07221-20210 | NUT | 26574-@ | |
| 26 | 07222-00210 | PLUG | 26574-@ |
