
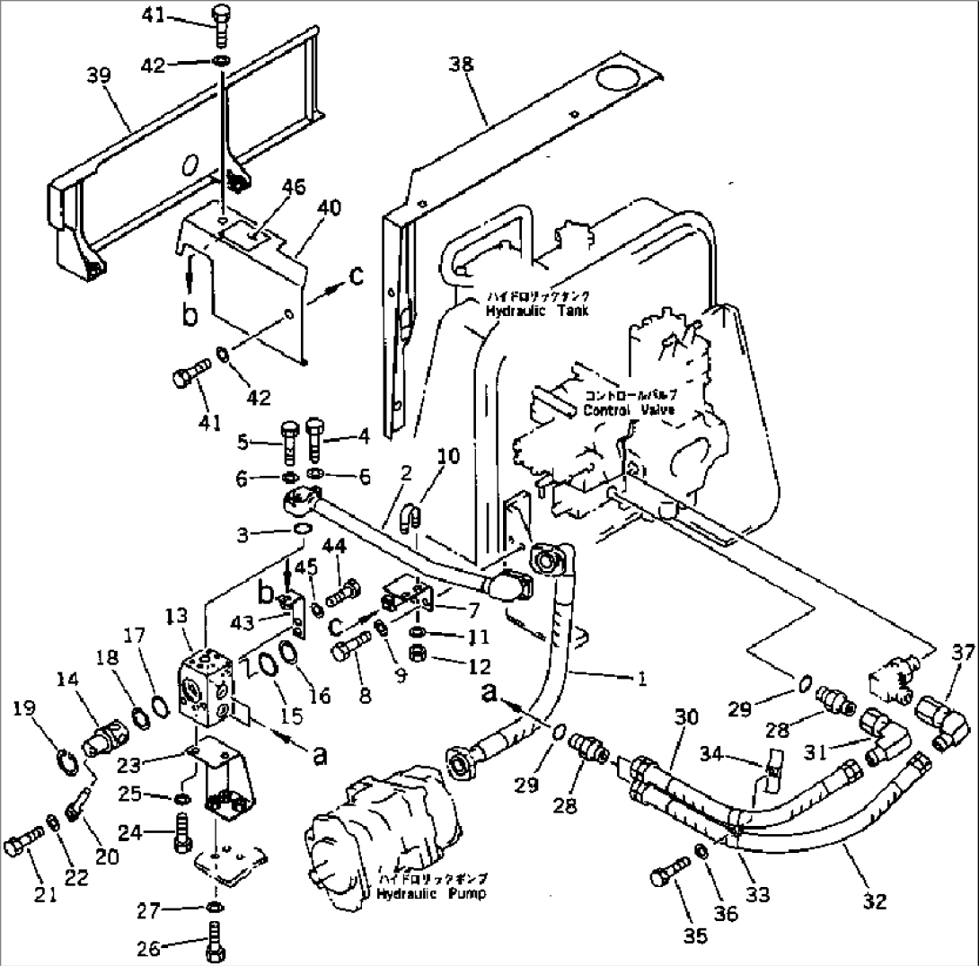
| Item | Part No. | Part Name | Qty | Serial No. |
| G-1 | (\8\154-60-X3120) | VALVE GROUP | 3001- | |
| ==================== | ||||
| 1 | 154-60-71740 | HOSE | 3513- | |
| 07124-00606 | HOSE | 3001-3512 | ||
| 2 | 154-60-71650 | TUBE | 3001- | |
| 3 | 07000-13030 | O-RING | 3001- | |
| 4 | 01010-50855 | BOLT | 3001- | |
| 5 | 01010-50840 | BOLT | 3001- | |
| 6 | 01643-30823 | WASHER | 3001- | |
| 7 | 154-60-71660 | BRACKET | 3001- | |
| 8 | 01010-51225 | BOLT | 3001- | |
| 9 | 01643-31232 | WASHER | 3001- | |
| 10 | 07283-22738 | CLIP | 3001- | |
| 11 | 01643-31032 | WASHER | 3001- | |
| 12 | 01599-01011 | NUT | 3001- | |
| 13 | 154-60-71610 | BLOCK | 3001- | |
| 14 | 154-60-71620 | ROTOR | 3001- | |
| 15 | 07000-13048 | O-RING | 3001- | |
| 16 | 07001-03048 | RING,BACK-UP | 3001- | |
| 17 | 07000-13042 | O-RING | 3001- | |
| 18 | 07001-03042 | RING,BACK-UP | 3001- | |
| 19 | 04065-05220 | RING,SNAP | 3001- | |
| 20 | 207-60-31730 | PIN | 3001- | |
| 21 | 01010-51230 | BOLT | 3001- | |
| 22 | 01643-31232 | WASHER | 3001- | |
| 23 | 154-60-71640 | BRACKET | 3001- | |
| 24 | 01010-51225 | BOLT | 3001- | |
| 25 | 01643-31232 | WASHER | 3001- | |
| 26 | 01010-51230 | BOLT | 3001- | |
| 27 | 01643-31232 | WASHER | 3001- | |
| 28 | 07230-20628 | UNION | 3001- | |
| 29 | 07002-12434 | O-RING | 3001- | |
| 30 | 07123-00605 | HOSE | 3001- | |
| 31 | 154-60-71670 | TUBE | 3001- | |
| 32 | 07123-00606 | HOSE | 3001- | |
| 33 | 176-61-41420 | CLIP | 3001- | |
| 34 | 176-61-41410 | CLIP | 3001- | |
| 35 | 01010-51045 | BOLT | 3001- | |
| 36 | 01643-31032 | WASHER | 3001- | |
| 37 | 154-60-71690 | TUBE | 3001- | |
| 38 | 154-54-42550 | COVER | 3001- | |
| 39 | 154-54-42560 | COVER | 3001- | |
| 40 | 154-54-42570 | COVER | 3001- | |
| 41 | 01010-51225 | BOLT | 3001- | |
| 42 | 01643-31232 | WASHER | 3001- | |
| 43 | 154-54-42580 | BRACKET | 3001- | |
| 44 | 01010-51225 | BOLT | 3001- | |
| 45 | 01643-31232 | WASHER | 3001- | |
| 46 | 154-98-36581 | PLATE¤ OPERATING | 3397- | |
| \0\154-98-36580 | PLATE¤ OPERATING | 3001-3396 | ||
| ==================== |
