
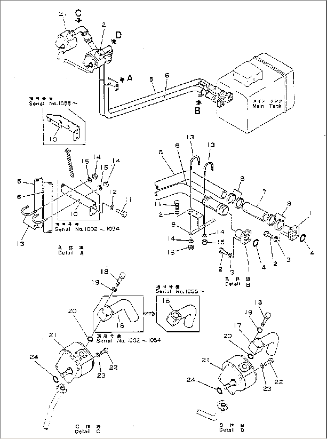
| Item | Part No. | Part Name | Qty | Serial No. |
| 1 | 568-61-21110 | TUBE | 1002- | |
| 2 | 07372-21650 | BOLT | 1002- | |
| 3 | 01602-21648 | WASHER | 1002- | |
| 4 | 07000-22085 | O-RING | 1002- | |
| 5 | 568-61-21171 | TUBE | 1055- | |
| 568-61-21170 | TUBE | 1002-1054 | ||
| 6 | 568-61-21181 | TUBE | 1055- | |
| 568-61-21180 | TUBE | 1002-1054 | ||
| 7 | 07260-07422 | HOSE | 1002- | |
| 8 | 07281-01029 | CLAMP | 1002- | |
| 9 | 568-61-21130 | BRACKET | 1002- | |
| 10 | 568-61-21210 | BRACKET | 1055- | |
| 568-61-21190 | BRACKET | 1002-1054 | ||
| 11 | 01010-51230 | BOLT | 1055- | |
| 01010-51230 | BOLT | 1002-1054 | ||
| 11A | 01010-51235 | BOLT | 1055- | |
| 12 | 01602-21236 | WASHER | 1002- | |
| 13 | 07283-17663 | CLIP | 1002- | |
| 14 | 01599-11011 | NUT | 1002- | |
| 15 | 01643-21032 | WASHER | 1002- | |
| 16 | 568-61-21142 | TUBE | 1055- | |
| 568-61-21141 | TUBE | 1002-1054 | ||
| 17 | 568-61-21151 | TUBE | 1002-1054 | |
| 18 | 01011-51225 | BOLT | 1002- | |
| 19 | 01602-21236 | WASHER | 1002- | |
| 20 | 07000-22070 | O-RING | 1002- | |
| 21 | (07448-66101) | PUMP ASS'Y | 1055- | |
| (07448-67101) | PUMP ASS'Y | 1002-1054 | ||
| 22 | 01010-51445 | BOLT | 1002- | |
| 23 | 01602-21442 | WASHER | 1002- | |
| 24 | 07000-22095 | O-RING | 1002- |
