
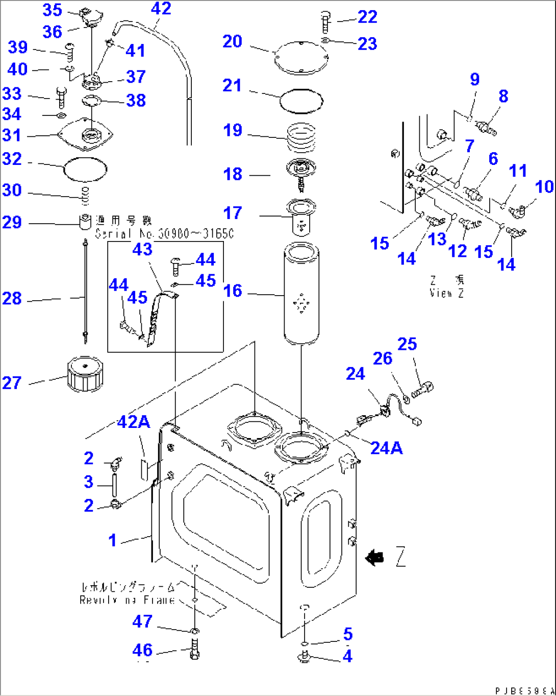
| Item | Part No. | Part Name | Qty | Serial No. |
| 20Y-60-00064 | HYD. TANK ASS'Y | 31651- | ||
| 20Y-60-00063 | HYDRAULIC TANK ASS'Y | 30980-31650 | ||
| 1 | \6\ | TANK | 31651- | |
| \6\ | TANK | 31495-31650 | ||
| \6\ | TANK | 30980-31494 | ||
| 2 | 203-60-31100 | ELBOW ASS'Y | 31091- | |
| 208-04-19130 | ELBOW | 30001-31090 | ||
| 3 | 203-60-31160 | TUBE | 30001- | |
| 4 | 07044-12412 | PLUG | 30001- | |
| 5 | 07002-02434 | O-RING | 30001- | |
| 6 | 07230-20628 | UNION | 30980- | |
| 7 | 07002-02434 | O-RING | 30001- | |
| 8 | 07236-10522 | ELBOW | 30980- | |
| 9 | 07002-02434 | O-RING | 30001- | |
| 10 | 07235-10315 | ELBOW | 30980- | |
| 11 | 07002-02034 | O-RING | 30980- | |
| 12 | 07236-10315 | ELBOW | 30980- | |
| 13 | 07002-02034 | O-RING | 30980- | |
| 14 | 07236-10210 | ELBOW | 30980- | |
| 15 | 07002-01423 | O-RING | 30980- | |
| 16 | 20Y-60-21510 | ELEMENT | 30980- | |
| 17 | 07069-25400 | STRAINER | 31818- | |
| 206-60-41221 | STRAINER | 30001-31817 | ||
| 18 | 07069-05400 | VALVE ASS'Y | 31818- | |
| 12R-60-11300 | VALVE ASS'Y | 30001-31817 | ||
| 19 | 07069-34075 | SPRING | 31818- | |
| 20Y-60-21240 | SPRING | 30001-31817 | ||
| 20 | 20Y-60-22530 | COVER | 30980- | |
| 21 | 07000-15180 | O-RING | 31758- | |
| 07000-05180 | O-RING | 30980-31757 | ||
| 22 | 01010-81230 | BOLT | 31091- | |
| 01010-51230 | BOLT | 30980-31090 | ||
| 23 | 01643-31232 | WASHER | 30001- | |
| 24 | 7861-92-4210 | SENSOR | 30001- | |
| 24A | 7861-91-4220 | O-RING | 30001- | |
| 25 | 01252-40612 | BOLT | 30001- | |
| 26 | 01641-20608 | WASHER | 30001- | |
| 20Y-60-22550 | STRAINER ASS'Y | 30980- | ||
| 27 | 20Y-60-21311 | STRAINER | 30001- | |
| 28 | 207-60-61150 | ROD ASS'Y | 30980- | |
| 29 | 20Y-60-21320 | HOLDER | 30001- | |
| 30 | 12R-60-11230 | SPRING | 30001- | |
| 31 | 203-60-61140 | COVER | 30001- | |
| 32 | 07000-15180 | O-RING | 31758- | |
| 07000-05180 | O-RING | 30980-31757 | ||
| 33 | 01010-81225 | BOLT | 30980- | |
| 34 | 01643-31232 | WASHER | 30001- | |
| 35 | 17A-60-11310 | CAP ASS'Y | 30980- | |
| 36 | 20Y-60-21470 | ELEMENT | 30001- | |
| 37 | 20Y-60-21460 | NECK | 30001- | |
| 38 | 20Y-60-21340 | GASKET | 31165- | |
| \0\205-60-66211 | GASKET | 30788-31164 | ||
| 39 | 01252-70516 | BOLT | 31165- | |
| 01220-40516 | SCREW | 30001-31164 | ||
| 40 | 01601-20513 | WASHER | 30001- | |
| 41 | 07285-00155 | CLIP | 30001- | |
| 42 | 20Y-60-21190 | TUBE | 31165- | |
| \0\07270-61512 | TUBE | 30980-31164 | ||
| 42A | 205-00-73360 | PLATE¤ OPERATING | 31588- | |
| 43 | 20Y-60-22561 | COVER | 30980-31650 | |
| 44 | 01220-40412 | SCREW | 30980-31650 | |
| 45 | 20Y-60-22540 | PLATE | 30980-31650 | |
| 46 | 01010-81635 | BOLT | 30980- | |
| 47 | 01643-31645 | WASHER | 30001- |
