
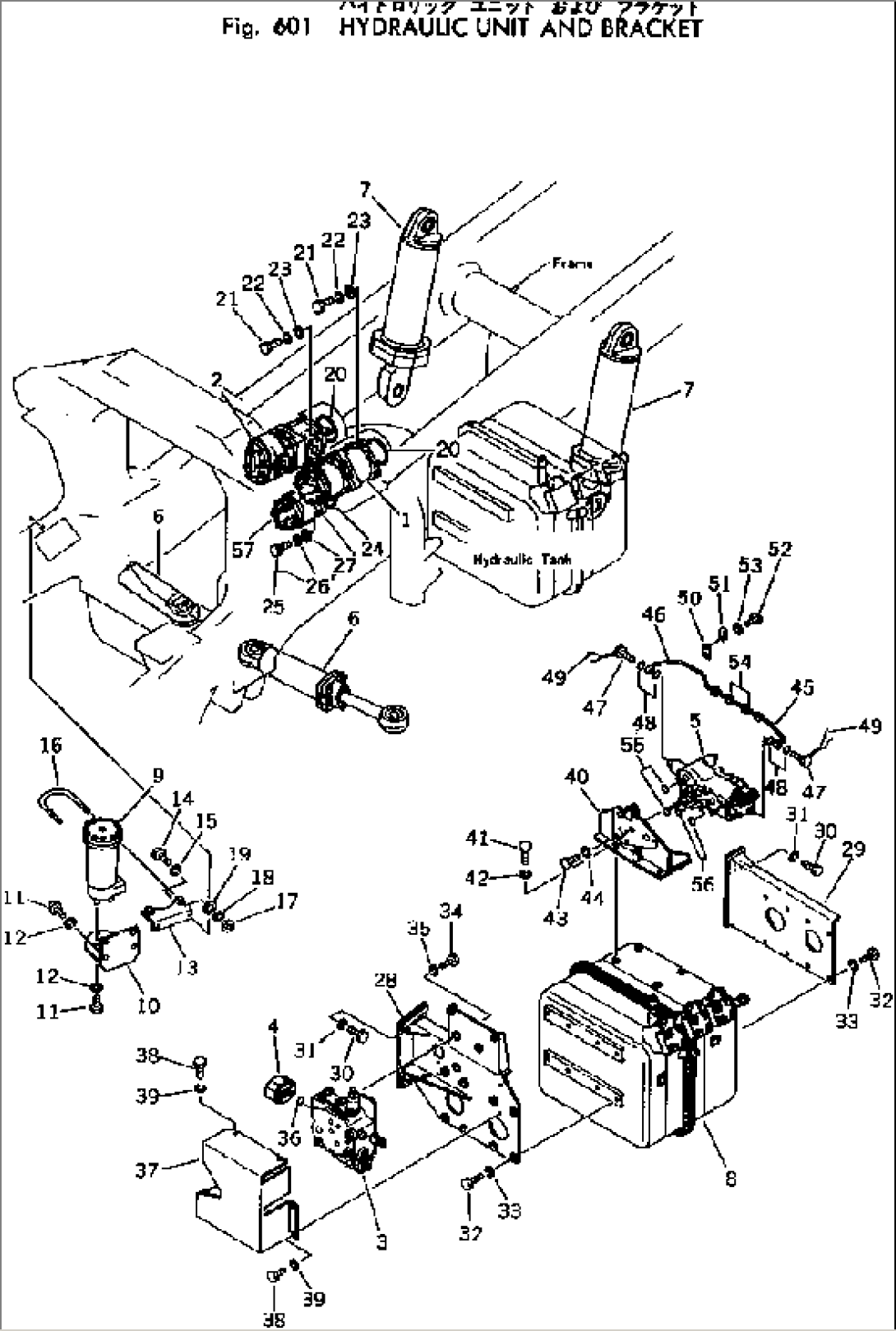
| Item | Part No. | Part Name | Qty | Serial No. |
| 1 | (07400-10600) | PUMP ASS'Y,(PAL 180+180) | 1101- | |
| 2 | (07400-11300) | PUMP ASS'Y,(PAL 280+280) | 1101- | |
| 3 | 702-13-44000 | DEMAND VALVE ASS'Y | 1101- | |
| 4 | 702-13-43900 | VALVE ASS'Y | 1101- | |
| 5 | 701-58-15000 | HOIST VALVE ASS'Y | 1101- | |
| 6 | (568-63-12300) | CYLINDER ASS'Y | 1109- | |
| 6 | (568-63-12101) | CYLINDER ASS'Y | 1101-1108 | |
| 7 | (568-63-23101) | CYLINDER ASS'Y | 1101- | |
| 8 | (561-60-31001) | TANK ASS'Y | 1101- | |
| 9 | (568-61-12500) | FILTER ASS'Y | 1101- | |
| 10 | 566-60-18212 | BRACKET | 1101- | |
| 11 | 01010-51430 | BOLT | 1101- | |
| 12 | 01602-21442 | WASHER | 1101- | |
| 13 | 568-16-11230 | BRACKET | 1101- | |
| 14 | 01010-51425 | BOLT | 1101- | |
| 15 | 01602-21442 | WASHER | 1101- | |
| 16 | 568-61-12690 | U-BOLT | 1101- | |
| 17 | 01580-11210 | NUT | 1101- | |
| 18 | 01602-21236 | WASHER | 1101- | |
| 19 | 01643-31232 | WASHER | 1101- | |
| 20 | 07000-12095 | O-RING | 1101- | |
| 21 | 01010-51450 | BOLT | 1101- | |
| 22 | 01602-21442 | WASHER | 1101- | |
| 23 | 01643-31445 | WASHER | 1101- | |
| 24 | 07000-12085 | O-RING | 1101- | |
| 25 | 01010-51245 | BOLT | 1101- | |
| 26 | 01602-21236 | WASHER | 1101- | |
| 27 | 01643-31232 | WASHER | 1101- | |
| 28 | 561-60-32111 | BRACKET | 1101- | |
| 29 | 561-60-32121 | BRACKET | 1101- | |
| 30 | 01010-51665 | BOLT | 1101- | |
| 31 | 01602-21648 | WASHER | 1101- | |
| 32 | 01010-51655 | BOLT | 1101- | |
| 33 | 01602-21648 | WASHER | 1101- | |
| 34 | 01010-51245 | BOLT | 1101- | |
| 35 | 01602-21236 | WASHER | 1101- | |
| 36 | 07000-13045 | O-RING | 1101- | |
| 37 | 561-60-32151 | COVER | 1101- | |
| 38 | 01010-51230 | BOLT | 1101- | |
| 39 | 01602-21236 | WASHER | 1101- | |
| 40 | 561-60-32141 | BRACKET | 1101- | |
| 41 | 01010-51435 | BOLT | 1101- | |
| 42 | 01602-21442 | WASHER | 1101- | |
| 43 | 01010-51240 | BOLT | 1101- | |
| 44 | 01602-21236 | WASHER | 1101- | |
| 45 | 561-61-33710 | TUBE | 1101- | |
| 46 | 561-61-33720 | TUBE | 1101- | |
| 47 | 198-60-15550 | BOLT | 1101- | |
| 48 | 07000-12018 | O-RING | 1101- | |
| 49 | 04059-01680 | WIRE | 1101- | |
| 50 | 561-61-33730 | PLATE | 1101- | |
| 51 | 04434-01208 | CLIP | 1101- | |
| 52 | 01010-50816 | BOLT | 1101- | |
| 53 | 01602-20825 | WASHER | 1101- | |
| 54 | 07213-51217 | CONNECTOR | 1101- | |
| 55 | 07000-12055 | O-RING | 1101- | |
| 56 | 07000-13045 | O-RING | 1101- | |
| 57 | (07443-67101) | PUMP ASS'Y | 1101- |
