
| Item | Part No. | Part Name | Qty | Serial No. |
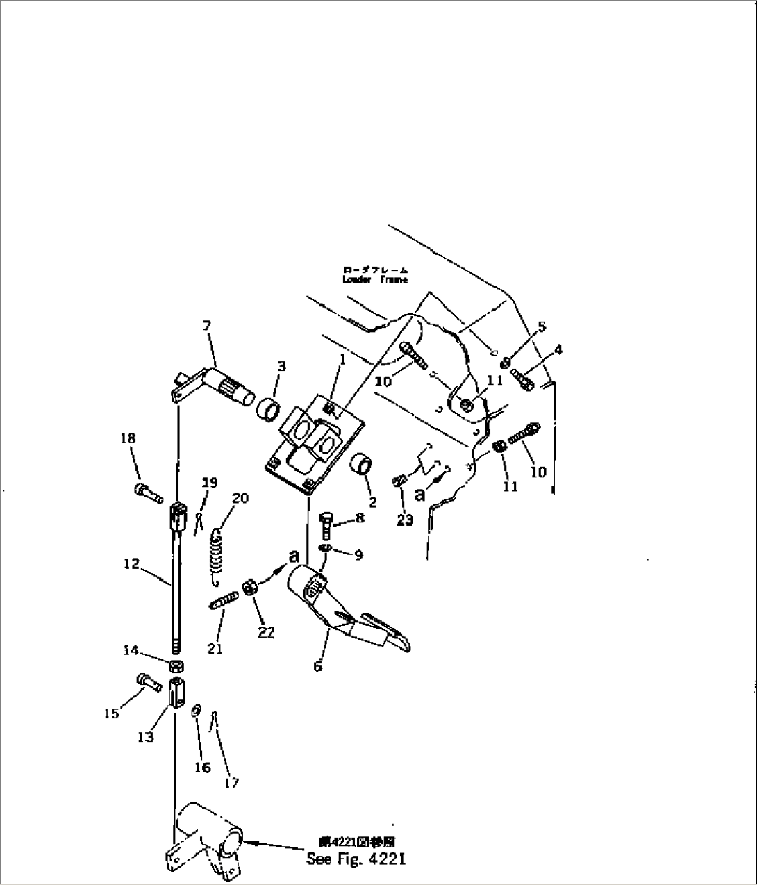
| 103-43-00330 | BRACKET ASS'Y | 60001- | ||
| 1 | \6\ | BRACKET | 60001- | |
| 2 | 09350-02520 | BUSHING | 60001- | |
| 3 | 09350-03020 | BUSHING | 60001- | |
| 4 | 01010-51030 | BOLT | 60001- | |
| 5 | 01602-21030 | WASHER,SPRING | 60001- | |
| 6 | 103-43-33190 | PEDAL \ | 60001- | |
| 7 | 103-43-33410 | LEVER | 60001- | |
| 8 | 01010-51030 | BOLT | 60001- | |
| 9 | 01602-21030 | WASHER,SPRING | 60001- | |
| 10 | 113-43-21340 | BUMPER | 60001- | |
| 11 | 01580-11008 | NUT | 60001- | |
| 12 | 04244-41031 | ROD | 60001- | |
| 13 | 04210-21040 | YOKE | 60001- | |
| 14 | 01582-11008 | NUT | 60001- | |
| 15 | 04205-11028 | PIN | 60001- | |
| 16 | 01641-21016 | WASHER | 60001- | |
| 17 | 04050-13020 | PIN,COTTER | 60001- | |
| 18 | 103-43-21170 | PIN | 60001- | |
| 19 | 04050-13020 | PIN,COTTER | 60001- | |
| 20 | 103-43-21290 | SPRING | 64856- | |
| 20 | 113-890-6170 | SPRING | 60001-64855 | |
| 21 | 103-43-21260 | BOLT | 60001- | |
| 22 | 01580-11008 | NUT | 60001- | |
| 23 | 07049-01012 | PLUG | 60001- |
