
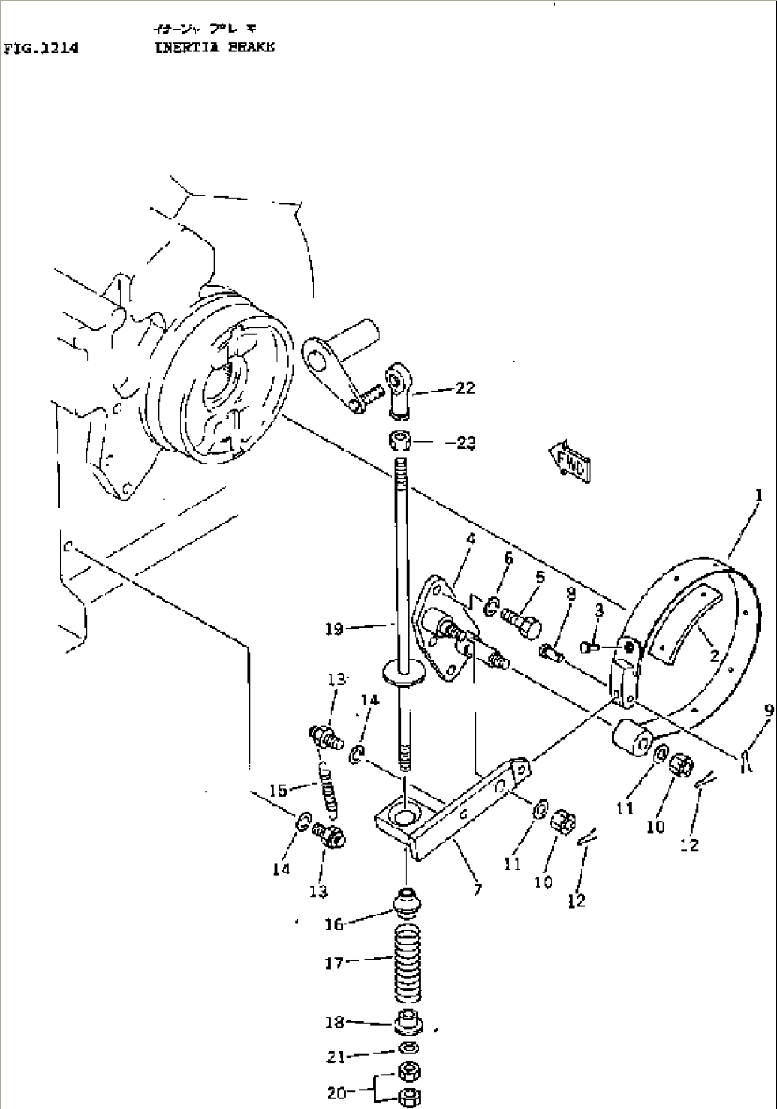
| Item | Part No. | Part Name | Qty | Serial No. |
| 12F-10-00010 | BRAKE BAND ASS'Y | 6001- | ||
| 1 | \6\ | BAND | 6001- | |
| 2 | 111-11-33120 | LINING | 6001- | |
| 3 | 04412-00610 | RIVET | 6001- | |
| 4 | 121-10-12120 | BRACKET | 6001- | |
| 5 | 01010-31025 | BOLT | 6001- | |
| 6 | 01602-01030 | WASHER,SPRING | 6001- | |
| 7 | 120-10-32570 | LEVER | 6001- | |
| 8 | 04205-10822 | PIN | 6001- | |
| 9 | 04050-12012 | PIN,COTTER | 6001- | |
| 10 | 01590-11012 | NUT | 6001- | |
| 11 | 01640-21016 | WASHER | 6001- | |
| 12 | 04050-12018 | PIN,COTTER | 6001- | |
| 13 | 131-10-42151 | PIN | 6001- | |
| 14 | 01602-01030 | WASHER,SPRING | 6001- | |
| 15 | 170-33-12360 | SPRING | 6001- | |
| 16 | 141-10-13210 | GUIDE | 6001- | |
| 17 | 141-10-13230 | SPRING | 6001- | |
| 18 | 141-10-13240 | GUIDE | 6001- | |
| 19 | 120-10-32581 | ROD | 6001- | |
| 20 | 01583-11006 | NUT | 6001- | |
| 21 | 01640-21016 | WASHER | 6001- | |
| 22 | 04250-41056 | END,ROD | 6001- | |
| 23 | 01582-11008 | NUT | 6001- |
