
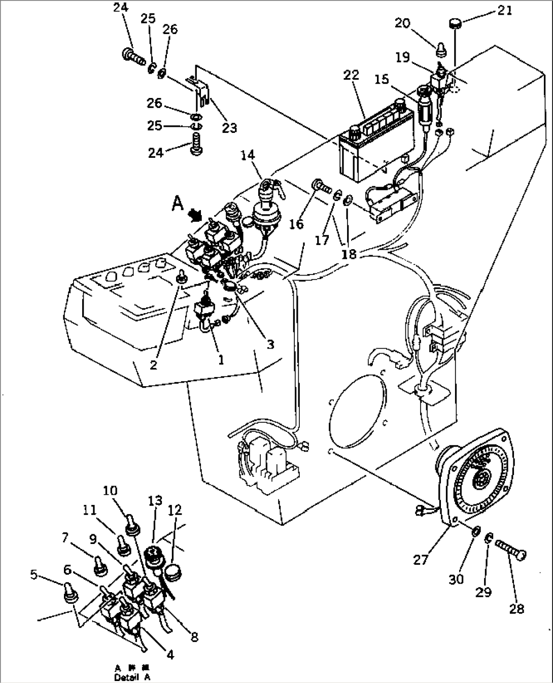
| Item | Part No. | Part Name | Qty | Serial No. |
| 1 | 209-06-51330 | SWITCH ASS'Y | 10001- | |
| 2 | 203-06-41610 | CAP | 10001- | |
| 3 | 09415-01610 | CAP | 10001- | |
| G-1 | (\8\21N-06-X3000) | AUTO COMPENSATION G. | 10001- | |
| ==================== | ||||
| 4 | 209-06-51670 | WIRING HARNESS | 10001- | |
| 5 | 203-06-41610 | CAP | 10001- | |
| ==================== | ||||
| 6 | 207-06-31240 | WIRING HARNESS | 10001- | |
| 7 | 203-06-41610 | CAP | 10001- | |
| 8 | 21N-06-11330 | WIRING HARNESS | 10001- | |
| 9 | 209-06-51330 | SWITCH ASS'Y | 10001- | |
| 10 | 203-06-41610 | CAP | 10001- | |
| 11 | 203-06-41680 | CAP | 10001- | |
| 12 | 09415-01610 | CAP | 10001- | |
| 13 | 205-06-64540 | LAMP,CAUTION | 10001- | |
| 14 | 209-06-51430 | SWITCH ASS'Y | 10001- | |
| 15 | 195-822-6151 | LIGHTER | 10001- | |
| 16 | 01220-40408 | SCREW | 10001- | |
| 17 | 01601-20410 | WASHER,SPRING | 10001- | |
| 18 | 01641-20405 | WASHER | 10001- | |
| G-2 | (\8\21N-06-X1300) | ELECTRICAL GROUP | 10001- | |
| ==================== | ||||
| 19 | 207-06-31240 | WIRING HARNESS | 10001- | |
| 20 | 203-06-41610 | CAP | 10001- | |
| ==================== | ||||
| 21 | 09415-00706 | CAP | 10001- | |
| G-3 | (\8\209-06-X1100) | RADIO GROUP,AM | 10001- | |
| ==================== | ||||
| 22 | 205-06-72510 | RADIO ASS'Y | 10001- | |
| 23 | 207-06-31170 | BRACKET | 10001- | |
| 24 | 01220-40512 | SCREW | 10001- | |
| 25 | 01601-20513 | WASHER,SPRING | 10001- | |
| 26 | 01642-20508 | WASHER | 10001- | |
| 27 | 20G-06-15120 | SPEAKER | 10001- | |
| 28 | 01220-40420 | SCREW | 10001- | |
| 29 | 01601-20410 | WASHER,SPRING | 10001- | |
| 30 | 01641-20405 | WASHER | 10001- | |
| ==================== |
