
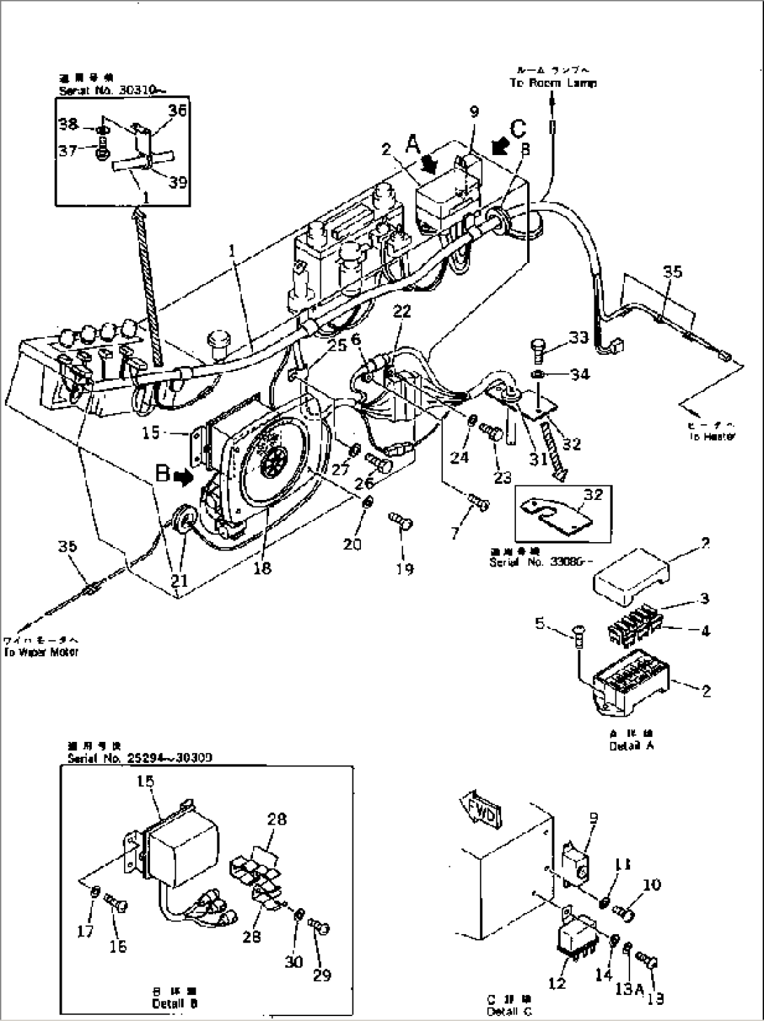
| Item | Part No. | Part Name | Qty | Serial No. |
| 1 | 207-06-31152 | WIRING HARNESS | 32949- | |
| 1 | 207-06-31151 | WIRING HARNESS | 30310-32948 | |
| 1 | 207-06-31150 | WIRING HARNESS | 25924-30309 | |
| 2 | 205-06-71480 | FUSE BOX | 20001- | |
| 3 | 205-06-73180 | FUSE, 15A | 25924- | |
| 4 | 22W-06-13160 | FUSE, 20A | 25924- | |
| 5 | 01220-40616 | SCREW | 20001- | |
| 6 | 283-06-17120 | CLIP | 20001- | |
| 7 | 01220-40616 | SCREW | 20001- | |
| 8 | 08037-02512 | GROMMET | 20001- | |
| 9 | 207-06-31160 | BUZZER | 25924- | |
| 10 | 01220-40412 | SCREW | 25924- | |
| 11 | 01642-20405 | WASHER | 25924- | |
| 12 | 206-06-41130 | RELAY,HORN | 20001- | |
| 13 | 01220-40616 | SCREW | 20001- | |
| 13A | 01602-20619 | WASHER,SPRING | 25924- | |
| 14 | 01643-30623 | WASHER | 20001- | |
| 15 | 7861-72-3000 | CONTROLLER ASS'Y | 25287-30309 | |
| 16 | 01220-40616 | SCREW | 20001-30309 | |
| 17 | 01643-30623 | WASHER | 20001-30309 | |
| 18 | 20G-06-15120 | SPEAKER | 20001- | |
| 19 | 01220-40420 | SCREW | 20001- | |
| 20 | 01641-20405 | WASHER | 20001- | |
| 21 | 08037-02512 | GROMMET | 20001- | |
| 22 | 205-06-72580 | CLIP | 25924- | |
| 23 | 01010-50816 | BOLT | 25924- | |
| 24 | 01643-30823 | WASHER | 25924- | |
| 25 | 08036-02514 | CLIP | 25924- | |
| 26 | 01010-51025 | BOLT | 25924- | |
| 27 | 01643-31032 | WASHER | 25924- | |
| 28 | 283-06-17130 | CLIP | 20001-30309 | |
| 29 | 01220-40608 | SCREW | 25924-30309 | |
| 30 | 01641-20608 | WASHER | 25924-30309 | |
| 31 | 205-06-72410 | GROMMET | 25924- | |
| 32 | 205-06-72211 | COVER | 25924- | |
| 33 | 01010-51025 | BOLT | 25924- | |
| 34 | 01643-31032 | WASHER | 25924- | |
| 35 | 205-54-72710 | CLIP | 25924- | |
| 36 | 205-06-72620 | PLATE | 30310- | |
| 37 | 01235-50408 | SCREW | 30310- | |
| 38 | 01641-20405 | WASHER | 30310- | |
| 39 | 08034-00414 | BAND | 30310- |
